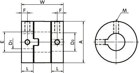
尺寸・CAD
单位 : mm
| 型号 | A | L | W | E | F | M | 螺丝紧固扭矩 (N・m) |
标准轴孔径(尺寸容许偏差H8) D1-D2 |
CAD下载 | 请求报价 |
|---|---|---|---|---|---|---|---|---|---|---|
| MOR-15K | 15 | 4.4 | 16 | 8.2 | 2.2 | M3 | 0.7 | - | CAD | 请求报价 |
| MOR-17K | 17 | 4.9 | 19.7 | 8.2 | 2.5 | M3 | 0.7 | - | CAD | 请求报价 |
| MOR-20K | 20 | 5.8 | 21.6 | 12.2 | 2.9 | M3 | 0.7 | - | CAD | 请求报价 |
| MOR-26K | 26 | 7.3 | 25.6 | 14.2 | 3.7 | M4 | 1.7 | - | CAD | 请求报价 |
| MOR-30K | 30 | 10 | 32.6 | 16.2 | 5 | M4 | 1.7 | - | CAD | 请求报价 |
| MOR-34K | 34 | 11.1 | 34 | 16.2 | 5.6 | M5 | 4 | - | CAD | 请求报价 |
| MOR-38K | 38 | 12.1 | 40.1 | 20.3 | 6.1 | M5 | 4 | - | CAD | 请求报价 |
| MOR-45K | 45 | 13.8 | 46 | 22.3 | 6.9 | M6 | 7 | - | CAD | 请求报价 |
| MOR-55K | 55 | 18.7 | 57 | 26.5 | 9.4 | M8 | 15 | - | CAD | 请求报价 |
| MOR-68K | 68 | 24 | 77 | 38.5 | 12 | M10 | 30 | - | CAD | 请求报价 |
| 型号 | 最大轴孔径 (mm) |
额定扭矩 (N・m)*1 |
最大扭矩 (N・m)*1 |
最高转速 (min-1) |
惯性 力矩 (kg・m2)*2 |
静态 扭转刚性 (N・m/rad) |
容许偏心 (mm) |
容许偏角 (°) |
质量 (g)*2 |
|---|---|---|---|---|---|---|---|---|---|
| MOR-15K | 8 | 1.6 | 3.2 | 42000 | 1.4×10-7 | 80 | 1 | 3 | 4 |
| MOR-17K | 8 | 2.2 | 4.4 | 37000 | 2.8×10-7 | 120 | 1.2 | 3 | 7 |
| MOR-20K | 12 | 3.2 | 6.4 | 31000 | 5.6×10-7 | 120 | 1.2 | 3 | 8 |
| MOR-26K | 14 | 6 | 12 | 24000 | 2.0×10-6 | 300 | 1.5 | 3 | 19 |
| MOR-30K | 16 | 15 | 30 | 21000 | 5.4×10-6 | 530 | 2 | 3 | 37 |
| MOR-34K | 16 | 16 | 32 | 18000 | 9.0×10-6 | 1000 | 2.5 | 3 | 51 |
| MOR-38K | 20 | 28 | 56 | 16000 | 1.5×10-5 | 1500 | 2.5 | 3 | 68 |
| MOR-45K | 22 | 30 | 60 | 14000 | 3.2×10-5 | 2400 | 3 | 3 | 110 |
| MOR-55K | 26 | 45 | 90 | 11000 | 1.0×10-4 | 4100 | 4 | 3 | 230 |
| MOR-68K | 38 | 80 | 160 | 9000 | 3.3×10-4 | 6400 | 4.5 | 3 | 430 |
*1:无负荷变动,并且向某一方向旋转时的值。负荷变动大,或进行正反运转时,请在选择尺寸时留出余裕。当环境温度高于30℃时,请依据下表的温度修正系数调整额定扭矩和最大扭矩。MOR-K的可使用温度为-20℃~80℃。
*2: 最大轴孔径时的值。
| 型号 | 标准轴孔径(尺寸容许偏差H8) D1-D2 |
||||||||||||||
|---|---|---|---|---|---|---|---|---|---|---|---|---|---|---|---|
| 6 | 8 | 10 | 12 | 14 | 15 | 16 | 18 | 20 | 22 | 25 | 28 | 30 | 35 | 38 | |
| MOR-15K | ● | ● | - | - | - | - | - | - | - | - | - | - | - | - | - |
| MOR-17K | ● | ● | - | - | - | - | - | - | - | - | - | - | - | - | - |
| MOR-20K | ● | ● | ● | ● | - | - | - | - | - | - | - | - | - | - | - |
| MOR-26K | ● | ● | ● | ● | ● | - | - | - | - | - | - | - | - | - | - |
| MOR-30K | - | ● | ● | ● | ● | ● | ● | - | - | - | - | - | - | - | - |
| MOR-34K | - | - | ● | ● | ● | ● | ● | - | - | - | - | - | - | - | - |
| MOR-38K | - | - | ● | ● | ● | ● | ● | ● | ● | - | - | - | - | - | - |
| MOR-45K | - | - | ● | ● | ● | ● | ● | ● | ● | ● | - | - | - | - | - |
| MOR-55K | - | - | - | - | ● | ● | ● | ● | ● | ● | ● | - | - | - | - |
| MOR-68K | - | - | - | - | - | - | - | ● | ● | ● | ● | ● | ● | ● | ● |
●所有产品均附带内六角螺栓。
●适用轴径的推荐尺寸公差为h6及h7。
●也承接1个轴套是定位螺丝固定型,另1个轴套是夹紧型等组合的订货。
●也可制作标准轴孔径以外的特殊产品。请垂询客户中心。
●轴插入联轴器中的量请参阅安装与维护说明。⇒偏差调整
轴孔部详图

单位 : mm
| 标准轴孔径 D |
键槽 | 键 | |||
|---|---|---|---|---|---|
| b | t | 公称尺寸 b×h |
|||
| 基准 尺寸 |
容许偏差 (JS9) |
基准 尺寸 |
容许偏差 | ||
| 6 | 2 | ±0.0125 | 1.0 | 0~+0.1 | 2×2 |
| 8 | 3 | ±0.0125 | 1.4 | 0~+0.1 | 3×3 |
| 10、12 | 4 | ±0.0150 | 1.8 | 0~+0.1 | 4×4 |
| 14、15、16 | 5 | ±0.0150 | 2.3 | 0~+0.1 | 5×5 |
| 18、20、22 | 6 | ±0.0150 | 2.8 | 0~+0.1 | 6×6 |
| 25、28、30 | 8 | ±0.0180 | 3.3 | 0~+0.2 | 8×7 |
| 35、38 | 10 | ±0.0180 | 3.3 | 0~+0.2 | 10×8 |
节选自JIS B 1301
环境温度、温度修正系数
| 环境温度 | 温度修正系数 |
|---|---|
| -20℃~30℃ | 1.00 |
| 30℃~40℃ | 0.80 |
| 40℃~60℃ | 0.70 |
| 60℃~80℃ | 0.55 |
材质、表面处理
| MOR-K | |
|---|---|
| 轴套 | A2017 阳极氧化处理*1 |
| 间隔体 | 聚缩醛 |
| 内六角止动螺丝 | SCM435 四氧化三铁保护膜(黑) |
| 内六角圆柱头螺栓 | SCM435 四氧化三铁保护膜(黑) |
*1: 轴孔及键槽的表面处理可能会因工序的关系而存在有表面处理和无表面处理的零件,但不存在联轴器性能方面的问题。
特点
- 适用马达
| MOR | |
|---|---|
| 伺服马达 | - |
| 步进马达 | - |
| 通用马达 | ◎ |
- 特性
| MOR | |
|---|---|
| 高扭矩 | ◎ |
| 容许误差调整 | ◎ |
| 偏心反作用力小 | ◎ |
| 电绝缘性 | ◎ |
| 可使用温度 | -20℃~80℃ |
- 十字滑块型挠性联轴器。
- 通过轴套与间隔体的滑移,允许有较大偏心、偏角存在。
- 因误差调整量而产生的偏心反作用力变小,减轻了轴的负担。
- 构造简单,组装方便。
用途
阴极溅镀装置/零件进料器/缝纫机/娱乐器材选型
根据轴径、额定扭矩选型
轴径和额定扭矩交差区域为选型规格。

选型示例
选型条件为轴径φ6、负荷扭矩0.3N・m时,选型规格为MOR-15。常用扭矩的比较

隔片(聚缩醛)的耐药品性
| 影响 | |
|---|---|
| 耐候性 | 略微变色 |
| 耐弱酸性 | 基本可耐弱酸 |
| 耐强酸性 | 不耐强酸 |
| 耐弱碱性 | 基本可耐弱酸 |
| 耐强碱性 | 基本可耐弱酸 |
| 耐有机溶剂性 | 有抵抗性 |
隔片(聚缩醛)的物性
| 试验方法 | 单位 | 聚缩醛 | |
|---|---|---|---|
| 密度 | ISO 1183 | g/cm3 | 1.36 |
| 吸水率 (23℃、浸渍24hr) |
ISO 62 | % | 0.7 |
| 拉伸强度 | ISO 527-1、2 | N/mm2 | 52 |
| 抗弯强度 | ISO 178 | N/mm2 | 72 |
| 摆锤冲击强度 (带切口) |
ISO 179/1eA | kJ/m2 | 5.9 |
| 载荷挠度温度 (1.8MPa) |
ISO 75-1、2 | ℃ | 85 |
| 绝缘击穿强度 (3mmt) |
IEC 60243-1 | kV/mm | 20 |
| 体积电阻率 | IEC 60093 | Ω・cm | 1×1014 |
| 燃烧性 | UL94 | - | HB |
偏心反作用力
轴套与间隔体的初始滑移负载值。磨合运动后,滑移负载变小,通过调整误差降低轴负载,减轻轴等的负担。


温度引起的静态扭转刚性数值的变化
以在20℃时的静态扭转刚性数值为100%时的值。使用温度范围内的静态扭转刚性变化情况如图表所示。
使用时,请注意响应性的下降。

规格变更说明
我们将对挠性联轴器MOR系列及MOC系列的部分规格进行如下变更。请参看详情
https://www.nbk1560-chn.com.cn/news/2025/20250611_MOR_MOC/









