单位 : mm
| 型号 | D | M(粗牙) 螺纹公称直径 |
螺距 | ♯ 螺纹公称直径 |
Lf min. | h | M1(粗牙) 螺纹公称直径 |
螺距 | Lf1 min. | Db | d | d1 | H | h1 | h2 | L | R | P | sw | 夹紧手柄的 参考用紧固扭矩(N・m)*1 |
带螺纹球的 保持扭矩(N・m)*1 |
质量 (g) |
CAD下载 | 请求报价 |
|---|---|---|---|---|---|---|---|---|---|---|---|---|---|---|---|---|---|---|---|---|---|---|---|---|
| SBJL-23-1/4-20-FL | 23 | - | - | 1/4-20UNC | 8 | 24.8 | M5 | 0.8 | 7.5 | 14 | 11 | 2.5 | 26.6 | 21.7 | 10.6 | 32 | 22 | 7 | 9 | 1.5 | 4.5 | 43 | CAD | 请求报价 |
*1: 表中数值为止动螺丝型SBJS-MSBJS-F的参考值,并非SBJL-F的保证值。
材质、表面处理
| SBJL-F | |
|---|---|
| 主体 | 铝合金 阳极氧化处理(黑) |
| 带螺纹球 | 铝合金 |
| 底座板 | 铝合金 |
| 夹紧手柄 | 锌压铸件 |
特点
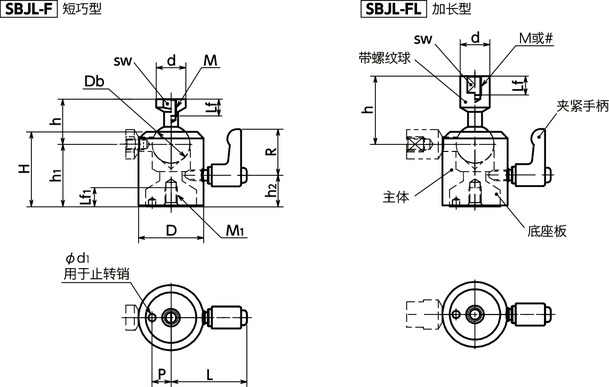
- 使用球的定位零件。适用于传感器,摄像头,照明,显示器等的角度调整,固定。
- 可将带螺纹球朝360°任意方向最大倾斜±30°,朝凹槽方向最大倾斜90°。


- 通过紧固夹紧手柄,可将带螺纹球按所需角度进行固定。
单位 : N・m
| 型号 | 夹紧手柄的 参考用紧固扭矩*1 |
带螺纹球的 保持扭矩*1 |
|---|---|---|
| SBJL-23 | 1.5 | 4.5 |
| SBJL-31 | 2.5 | 6.5 |
| SBJL-39 | 4 | 16 |
| SBJL-49 | 4 | 20 |
*1: 表中数值为止动螺丝型SBJS-MSBJS-F的参考值,并非SBJL-F的保证值。
- 可根据型号的末尾符号选择带螺纹球的形状。
| 末尾符号 | 形状 |
|---|---|
| F | 短巧型 |
| FL | 加长型 |
- 底座板的底面部有用于止转销的孔。
- 从正面安装球窝接头SBJL-F时,请使用安装板SBJP。SBJP

使用注意事项
- 请勿以超过参考用紧固扭矩的值来紧固夹紧手柄,否则可能会导致故障,破损。
- 请勿在球部涂抹润滑脂或油等润滑剂。否则会导致保持性能下降。








