| 型号 | M(粗牙) 螺纹公称直径 |
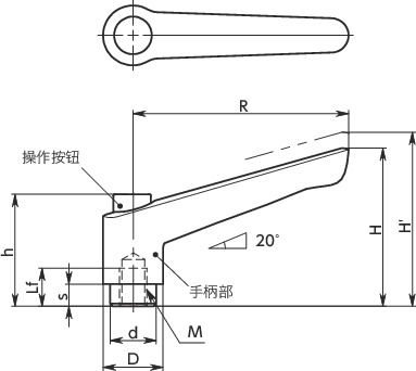
螺距 | Lf min. | R | H | H' | h | s | D | d | 齿数 | 最大载荷*1 (N) |
最大紧固力*1 (kN) |
主体颜色 | 质量 (g) |
CAD下载 | 请求报价 |
|---|---|---|---|---|---|---|---|---|---|---|---|---|---|---|---|---|---|
| LECFS-6-SK-CSG | M6 | 1 | 8 | 30 | 29 | 32.5 | 24 | 4.2 | 13 | 10 | 18 | 110 | 3.8 | SK | 12 | CAD | 请求报价 |
*1: 最大载荷、最大紧固力的定义请参照“关于夹紧手柄、张紧手柄的使用方法”。⇒关于夹紧手柄、张紧手柄的使用方法
材质、表面处理
| LECFS-C | |
|---|---|
| 手柄部 | 尼龙6(各种颜色) |
| 螺纹部 | SUS303 |
| 操作按钮 | 尼龙6(各种颜色) |
| 锯齿环(插件) | 锌压铸件 |
| 弹簧 | 不锈钢丝 |
特点
- 带操作按钮的微型塑料夹紧手柄。内螺纹型。
- 在位置调整中抬起手柄部时,如果带有操作按钮,则易于施力,操作简单。
- 顾及到环境负荷,尤其是全球变暖的影响,产品开发实施了LCA(Life Cycle Assessment)。
- 与传统产品相比,将温室气体的排放量降低了6.5%。
- 将锌压铸件制锯齿环插入到塑料制手柄主体中。与金属制螺纹锯齿的咬合也实现了足够的强度。
- 手柄部分为5种颜色,操作按钮分为3种颜色。可根据型号的符号进行选择。
- 手柄部的颜色
| 符号 | 手柄部的颜色 |
|---|---|
| BK | 亚光黑 |
| SG | 亚光银 |
| OR | 亚光橙 |
| YW | 亚光黄 |
| SK | 亚光透明 |
- 操作按钮的颜色
| 符号 | 操作按钮的颜色 |
|---|---|
| CBK | 亚光黑 |
| CSG | 亚光银 |
| COR | 亚光橙 |



