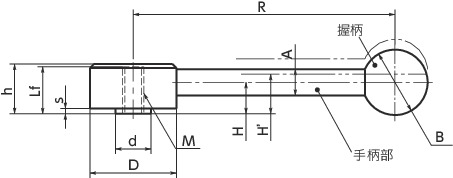
尺寸・CAD
单位 : mm
| 型号 | M(粗牙) 螺纹公称直径 |
螺距 | Lf | R | H | H' | h | s | A | B | D | d | 齿数 | 最大载荷*1 (N) |
最大紧固力*1 (kN) |
质量 (g) |
CAD下载 | 请求报价 |
|---|---|---|---|---|---|---|---|---|---|---|---|---|---|---|---|---|---|---|
| LFF-8 | M8 | 1.25 | 18 | 100 | 12 | 16 | 19 | 2 | 10 | 25 | 33 | 13 | 22 | 120 | 10 | 160 | CAD | 请求报价 |
| LFF-10 | M10 | 1.5 | 21 | 130 | 13.5 | 17.5 | 22 | 2 | 12 | 30 | 41 | 19 | 26 | 180 | 16 | 300 | CAD | 请求报价 |
| LFF-12 | M12 | 1.75 | 21 | 130 | 13.5 | 17.5 | 22 | 2 | 12 | 30 | 41 | 19 | 26 | 300 | 23 | 300 | CAD | 请求报价 |
| LFF-16 | M16 | 2 | 27 | 150 | 17 | 22 | 28 | 2 | 14 | 35 | 45 | 23 | 36 | 660 | 43 | 450 | CAD | 请求报价 |
*1: 最大载荷、最大紧固力的定义请参照“关于夹紧手柄、张紧手柄的使用方法”。⇒关于夹紧手柄、张紧手柄的使用方法
材质、表面处理
| LFF | |
|---|---|
| 手柄部 | S45C 四氧化三铁保护膜(黑) |
| 螺纹部 | S45C 四氧化三铁保护膜(黑) |
| 握柄 | 酚醛树脂(黑) |
特点
- 扁平形状的张紧手柄。适合于上下空间不宽裕的场所。
- 转动半径较大,以较小的力即可获得较大的紧固力。
- 可自由调整手柄相对于螺丝的相位角度。










