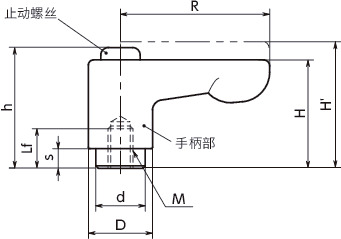
单位 : mm
| 型号 | M(粗牙) 螺纹公称直径 |
螺距 | Lf min. | R | H | H' | h | s | D | d | 齿数 | 最大载荷*1 (N) |
最大紧固力*1 (kN) |
质量 (g) |
主体 颜色 |
CAD下载 | 请求报价 |
|---|---|---|---|---|---|---|---|---|---|---|---|---|---|---|---|---|---|
| LHCFS-5-SG | M5 | 0.8 | 8 | 30 | 22 | 25.5 | 24.5 | 4 | 13 | 10 | 18 | 90 | 3.9 | 24 | SG | CAD | 请求报价 |
*1: 最大载荷、最大紧固力的定义请参照“关于夹紧手柄、张紧手柄的使用方法”。⇒关于夹紧手柄、张紧手柄的使用方法
材质、表面处理
| LHCFS | |
|---|---|
| 手柄部 | 锌压铸件 静电喷涂(各种颜色) |
| 螺纹部 | 相当于SUS303 |
| 止动螺丝 | 不锈钢 |
| 弹簧 | 不锈钢丝 |
特点
- 紧凑型扁平夹紧手柄。适用于上部空间受限的用途。
- 转动半径为30mm。省空间。
- 手柄部采用不易形成明显损伤的亚光型静电喷涂。
- 手柄部的颜色分为4种类型。可根据型号的末尾符号进行选择。
| 末尾符号 | 手柄部的颜色 |
|---|---|
| BK | 亚光黑 |
| SG | 亚光银 |
| OR | 亚光橙 |
| RD | 亚光红 |



