尺寸・CAD
单位 : mm
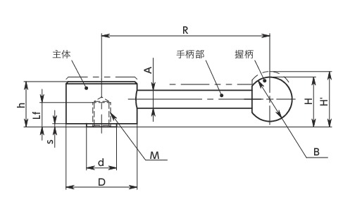
| 型号 | M(粗牙) 螺纹公称直径 |
螺距 | Lf | R | H | H' | h | s | A | B | D | d | 齿数 | 最大载荷*1 (N) |
最大紧固力*1 (kN) |
质量 (g) |
CAD下载 | 请求报价 |
|---|---|---|---|---|---|---|---|---|---|---|---|---|---|---|---|---|---|---|
| LNFFS-32-M6-D | M6 | 1 | 11 | 90 | 22.5 | 26.5 | 20.5 | 1.5 | 8 | 20 | 32 | 13.5 | 24 | 51 | 5.5 | 141 | CAD | 请求报价 |
| LNFFS-32-M8-D | M8 | 1.25 | 11 | 90 | 22.5 | 26.5 | 20.5 | 1.5 | 8 | 20 | 32 | 13.5 | 24 | 120 | 10 | 139 | CAD | 请求报价 |
| LNFFS-36-M8-D | M8 | 1.25 | 14 | 107.5 | 27.5 | 32 | 24.5 | 2 | 10 | 25 | 36 | 16 | 26 | 100 | 10 | 223 | CAD | 请求报价 |
| LNFFS-36-M10-D | M10 | 1.5 | 14 | 107.5 | 27.5 | 32 | 24.5 | 2 | 10 | 25 | 36 | 16 | 26 | 210 | 16 | 219 | CAD | 请求报价 |
| LNFFS-40-M10-D | M10 | 1.5 | 17 | 115 | 34 | 38.5 | 30 | 4 | 12 | 30 | 40 | 19 | 28 | 190 | 16 | 307 | CAD | 请求报价 |
| LNFFS-40-M12-D | M12 | 1.75 | 17 | 115 | 34 | 38.5 | 30 | 4 | 12 | 30 | 40 | 19 | 28 | 340 | 23 | 301 | CAD | 请求报价 |
| LNFFS-45-M12-D | M12 | 1.75 | 23 | 129 | 40 | 45 | 35.5 | 4 | 12 | 32 | 45 | 23 | 30 | 300 | 23 | 425 | CAD | 请求报价 |
| LNFFS-45-M16-D | M16 | 2 | 23 | 129 | 40 | 45 | 35.5 | 4 | 12 | 32 | 45 | 23 | 30 | 760 | 43 | 406 | CAD | 请求报价 |
*1: 最大载荷、最大紧固力的定义请参照“关于夹紧手柄、张紧手柄的使用方法”。⇒关于夹紧手柄、张紧手柄的使用方法
材质、表面处理
| LNFFS | |
|---|---|
| 手柄部 | SUS303 |
| 螺纹部 | SUS303 |
| 主体 | SUS303 |
| 握柄 | 酚醛树脂(黑) |
特点
- 扁平形状的张紧手柄。适合于上下空间不宽裕的场所。
- 转动半径较大,以较小的力即可获得较大的紧固力。
- 可自由调整手柄相对于螺丝的相位角度。
- LNFF-E LNFFS-E的手柄操作部成一定角度,手可以轻松伸入,并确保握持手柄的空间。
- 可根据产品符号选择类型及螺纹部的材质。
| 产品符号 | 类型 | 螺纹部材质 |
|---|---|---|
| LNFF-D | 横向手柄 | 钢制 |
| LNFFS-D | 横向手柄 | 不锈钢制 |
| LNFF-E | 带角度的手柄 | 钢制 |
| LNFFS-E | 带角度的手柄 | 不锈钢制 |










