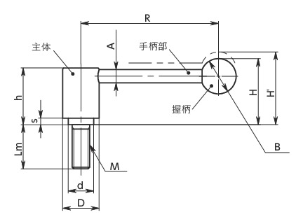
单位 : mm
| 型号 | M(粗牙) 螺纹公称直径 |
螺距 | Lm | R | H | H' | h | s | A | B | D | d | 齿数 | 最大载荷*1 (N) |
最大紧固力*1 (kN) |
质量 (g) |
CAD下载 | 请求报价 |
|---|---|---|---|---|---|---|---|---|---|---|---|---|---|---|---|---|---|---|
| LNTM-33-M12-63-D | M12 | 1.75 | 63 | 124.5 | 60 | 65.5 | 51.5 | 6 | 12 | 32 | 33 | 23 | 30 | 310 | 23 | 446 | CAD | 请求报价 |
*1: 最大载荷、最大紧固力的定义请参照“关于夹紧手柄、张紧手柄的使用方法”。⇒关于夹紧手柄、张紧手柄的使用方法
材质、表面处理
| LNTM | |
|---|---|
| 手柄部 | SUM22L 四氧化三铁保护膜(黑) |
| 螺纹部 | SUM22L 四氧化三铁保护膜(黑) |
| 主体 | SUM22L 四氧化三铁保护膜(黑) |
| 握柄 | 酚醛树脂(黑) |
特点
- 标准型张紧手柄。
- 转动半径较大,以较小的力即可获得较大的紧固力。
- 可自由调整手柄相对于螺丝的相位角度。
- LNTM-D的手柄部是水平的,因此适用于上部空间受限的场合。
- 可根据产品符号选择类型及螺纹部的材质。
| 产品符号 | 类型 | 螺纹部材质 |
|---|---|---|
| LNTM-D | 横向手柄 | 钢制 |
| LNTM-E | 带角度的手柄 | 钢制 |
| LNTMS-E | 带角度的手柄 | 不锈钢制 |



