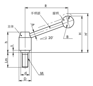
尺寸・CAD
单位 : mm
| 型号 | M(粗牙) 螺纹公称直径 |
螺距 | Lm | R | H | H' | h | s | A | B | D | d | 齿数 | 最大载荷*1 (N) |
最大紧固力*1 (kN) |
质量 (g) |
CAD下载 | 请求报价 |
|---|---|---|---|---|---|---|---|---|---|---|---|---|---|---|---|---|---|---|
| LNTM-21-M8-12-E | M8 | 1.25 | 12 | 65 | 59 | 63 | 33.5 | 1 | 8 | 20 | 21 | 13.5 | 24 | 170 | 10 | 103 | CAD | 请求报价 |
| LNTM-21-M8-16-E | M8 | 1.25 | 16 | 65 | 59 | 63 | 33.5 | 1 | 8 | 20 | 21 | 13.5 | 24 | 170 | 10 | 104 | CAD | 请求报价 |
| LNTM-21-M8-20-E | M8 | 1.25 | 20 | 65 | 59 | 63 | 33.5 | 1 | 8 | 20 | 21 | 13.5 | 24 | 170 | 10 | 105 | CAD | 请求报价 |
| LNTM-21-M8-25-E | M8 | 1.25 | 25 | 65 | 59 | 63 | 33.5 | 1 | 8 | 20 | 21 | 13.5 | 24 | 170 | 10 | 107 | CAD | 请求报价 |
| LNTM-21-M8-32-E | M8 | 1.25 | 32 | 65 | 59 | 63 | 33.5 | 1 | 8 | 20 | 21 | 13.5 | 24 | 170 | 10 | 109 | CAD | 请求报价 |
| LNTM-21-M8-40-E | M8 | 1.25 | 40 | 65 | 59 | 63 | 33.5 | 1 | 8 | 20 | 21 | 13.5 | 24 | 170 | 10 | 112 | CAD | 请求报价 |
| LNTM-21-M8-50-E | M8 | 1.25 | 50 | 65 | 59 | 63 | 33.5 | 1 | 8 | 20 | 21 | 13.5 | 24 | 170 | 10 | 114 | CAD | 请求报价 |
| LNTM-21-M8-63-E | M8 | 1.25 | 63 | 65 | 59 | 63 | 33.5 | 1 | 8 | 20 | 21 | 13.5 | 24 | 170 | 10 | 119 | CAD | 请求报价 |
| LNTM-21-M10-20-E | M10 | 1.5 | 20 | 65 | 59 | 63 | 33.5 | 1 | 8 | 20 | 21 | 13.5 | 24 | 340 | 16 | 108 | CAD | 请求报价 |
| LNTM-21-M10-25-E | M10 | 1.5 | 25 | 65 | 59 | 63 | 33.5 | 1 | 8 | 20 | 21 | 13.5 | 24 | 340 | 16 | 111 | CAD | 请求报价 |
| LNTM-21-M10-32-E | M10 | 1.5 | 32 | 65 | 59 | 63 | 33.5 | 1 | 8 | 20 | 21 | 13.5 | 24 | 340 | 16 | 115 | CAD | 请求报价 |
| LNTM-21-M10-40-E | M10 | 1.5 | 40 | 65 | 59 | 63 | 33.5 | 1 | 8 | 20 | 21 | 13.5 | 24 | 340 | 16 | 117 | CAD | 请求报价 |
| LNTM-21-M10-50-E | M10 | 1.5 | 50 | 65 | 59 | 63 | 33.5 | 1 | 8 | 20 | 21 | 13.5 | 24 | 340 | 16 | 122 | CAD | 请求报价 |
| LNTM-21-M10-63-E | M10 | 1.5 | 63 | 65 | 59 | 63 | 33.5 | 1 | 8 | 20 | 21 | 13.5 | 24 | 340 | 16 | 126 | CAD | 请求报价 |
| LNTM-21-M10-80-E | M10 | 1.5 | 80 | 65 | 59 | 63 | 33.5 | 1 | 8 | 20 | 21 | 13.5 | 24 | 340 | 16 | 136 | CAD | 请求报价 |
| LNTM-24-M10-16-E | M10 | 1.5 | 16 | 89 | 75 | 79.5 | 40 | 2.5 | 10 | 25 | 24 | 16 | 26 | 250 | 16 | 174 | CAD | 请求报价 |
| LNTM-24-M10-20-E | M10 | 1.5 | 20 | 89 | 75 | 79.5 | 40 | 2.5 | 10 | 25 | 24 | 16 | 26 | 250 | 16 | 175 | CAD | 请求报价 |
| LNTM-24-M10-25-E | M10 | 1.5 | 25 | 89 | 75 | 79.5 | 40 | 2.5 | 10 | 25 | 24 | 16 | 26 | 250 | 16 | 177 | CAD | 请求报价 |
| LNTM-24-M10-32-E | M10 | 1.5 | 32 | 89 | 75 | 79.5 | 40 | 2.5 | 10 | 25 | 24 | 16 | 26 | 250 | 16 | 180 | CAD | 请求报价 |
| LNTM-24-M10-40-E | M10 | 1.5 | 40 | 89 | 75 | 79.5 | 40 | 2.5 | 10 | 25 | 24 | 16 | 26 | 250 | 16 | 184 | CAD | 请求报价 |
| LNTM-24-M10-50-E | M10 | 1.5 | 50 | 89 | 75 | 79.5 | 40 | 2.5 | 10 | 25 | 24 | 16 | 26 | 250 | 16 | 190 | CAD | 请求报价 |
| LNTM-24-M10-63-E | M10 | 1.5 | 63 | 89 | 75 | 79.5 | 40 | 2.5 | 10 | 25 | 24 | 16 | 26 | 250 | 16 | 197 | CAD | 请求报价 |
| LNTM-24-M10-80-E | M10 | 1.5 | 80 | 89 | 75 | 79.5 | 40 | 2.5 | 10 | 25 | 24 | 16 | 26 | 250 | 16 | 204 | CAD | 请求报价 |
| LNTM-24-M12-25-E | M12 | 1.75 | 25 | 89 | 75 | 79.5 | 40 | 2.5 | 10 | 25 | 24 | 16 | 26 | 440 | 23 | 183 | CAD | 请求报价 |
| LNTM-24-M12-32-E | M12 | 1.75 | 32 | 89 | 75 | 79.5 | 40 | 2.5 | 10 | 25 | 24 | 16 | 26 | 440 | 23 | 188 | CAD | 请求报价 |
| LNTM-24-M12-40-E | M12 | 1.75 | 40 | 89 | 75 | 79.5 | 40 | 2.5 | 10 | 25 | 24 | 16 | 26 | 440 | 23 | 194 | CAD | 请求报价 |
| LNTM-24-M12-50-E | M12 | 1.75 | 50 | 89 | 75 | 79.5 | 40 | 2.5 | 10 | 25 | 24 | 16 | 26 | 440 | 23 | 201 | CAD | 请求报价 |
| LNTM-24-M12-63-E | M12 | 1.75 | 63 | 89 | 75 | 79.5 | 40 | 2.5 | 10 | 25 | 24 | 16 | 26 | 440 | 23 | 209 | CAD | 请求报价 |
| LNTM-24-M12-80-E | M12 | 1.75 | 80 | 89 | 75 | 79.5 | 40 | 2.5 | 10 | 25 | 24 | 16 | 26 | 440 | 23 | 217 | CAD | 请求报价 |
| LNTM-28-M10-16-E | M10 | 1.5 | 16 | 100.5 | 89 | 93.5 | 48.5 | 4.5 | 12 | 30 | 28 | 19 | 28 | 220 | 16 | 277 | CAD | 请求报价 |
| LNTM-28-M10-20-E | M10 | 1.5 | 20 | 100.5 | 89 | 93.5 | 48.5 | 4.5 | 12 | 30 | 28 | 19 | 28 | 220 | 16 | 279 | CAD | 请求报价 |
| LNTM-28-M10-25-E | M10 | 1.5 | 25 | 100.5 | 89 | 93.5 | 48.5 | 4.5 | 12 | 30 | 28 | 19 | 28 | 220 | 16 | 282 | CAD | 请求报价 |
| LNTM-28-M10-32-E | M10 | 1.5 | 32 | 100.5 | 89 | 93.5 | 48.5 | 4.5 | 12 | 30 | 28 | 19 | 28 | 220 | 16 | 286 | CAD | 请求报价 |
| LNTM-28-M10-40-E | M10 | 1.5 | 40 | 100.5 | 89 | 93.5 | 48.5 | 4.5 | 12 | 30 | 28 | 19 | 28 | 220 | 16 | 291 | CAD | 请求报价 |
| LNTM-28-M10-50-E | M10 | 1.5 | 50 | 100.5 | 89 | 93.5 | 48.5 | 4.5 | 12 | 30 | 28 | 19 | 28 | 220 | 16 | 297 | CAD | 请求报价 |
| LNTM-28-M10-63-E | M10 | 1.5 | 63 | 100.5 | 89 | 93.5 | 48.5 | 4.5 | 12 | 30 | 28 | 19 | 28 | 220 | 16 | 305 | CAD | 请求报价 |
| LNTM-28-M12-16-E | M12 | 1.75 | 16 | 100.5 | 89 | 93.5 | 48.5 | 4.5 | 12 | 30 | 28 | 19 | 28 | 390 | 23 | 286 | CAD | 请求报价 |
| LNTM-28-M12-20-E | M12 | 1.75 | 20 | 100.5 | 89 | 93.5 | 48.5 | 4.5 | 12 | 30 | 28 | 19 | 28 | 390 | 23 | 289 | CAD | 请求报价 |
| LNTM-28-M12-25-E | M12 | 1.75 | 25 | 100.5 | 89 | 93.5 | 48.5 | 4.5 | 12 | 30 | 28 | 19 | 28 | 390 | 23 | 292 | CAD | 请求报价 |
| LNTM-28-M12-32-E | M12 | 1.75 | 32 | 100.5 | 89 | 93.5 | 48.5 | 4.5 | 12 | 30 | 28 | 19 | 28 | 390 | 23 | 297 | CAD | 请求报价 |
| LNTM-28-M12-40-E | M12 | 1.75 | 40 | 100.5 | 89 | 93.5 | 48.5 | 4.5 | 12 | 30 | 28 | 19 | 28 | 390 | 23 | 302 | CAD | 请求报价 |
| LNTM-28-M12-50-E | M12 | 1.75 | 50 | 100.5 | 89 | 93.5 | 48.5 | 4.5 | 12 | 30 | 28 | 19 | 28 | 390 | 23 | 309 | CAD | 请求报价 |
| LNTM-28-M12-63-E | M12 | 1.75 | 63 | 100.5 | 89 | 93.5 | 48.5 | 4.5 | 12 | 30 | 28 | 19 | 28 | 390 | 23 | 319 | CAD | 请求报价 |
| LNTM-28-M12-80-E | M12 | 1.75 | 80 | 100.5 | 89 | 93.5 | 48.5 | 4.5 | 12 | 30 | 28 | 19 | 28 | 390 | 23 | 330 | CAD | 请求报价 |
| LNTM-33-M12-25-E | M12 | 1.75 | 25 | 115.5 | 100 | 105.5 | 55 | 6 | 12 | 32 | 33 | 23 | 30 | 340 | 23 | 420 | CAD | 请求报价 |
| LNTM-33-M12-32-E | M12 | 1.75 | 32 | 115.5 | 100 | 105.5 | 55 | 6 | 12 | 32 | 33 | 23 | 30 | 340 | 23 | 425 | CAD | 请求报价 |
| LNTM-33-M12-40-E | M12 | 1.75 | 40 | 115.5 | 100 | 105.5 | 55 | 6 | 12 | 32 | 33 | 23 | 30 | 340 | 23 | 431 | CAD | 请求报价 |
| LNTM-33-M12-50-E | M12 | 1.75 | 50 | 115.5 | 100 | 105.5 | 55 | 6 | 12 | 32 | 33 | 23 | 30 | 340 | 23 | 438 | CAD | 请求报价 |
| LNTM-33-M12-63-E | M12 | 1.75 | 63 | 115.5 | 100 | 105.5 | 55 | 6 | 12 | 32 | 33 | 23 | 30 | 340 | 23 | 446 | CAD | 请求报价 |
| LNTM-33-M16-32-E | M16 | 2 | 32 | 115.5 | 100 | 105.5 | 55 | 6 | 12 | 32 | 33 | 23 | 30 | 850 | 43 | 440 | CAD | 请求报价 |
| LNTM-33-M16-40-E | M16 | 2 | 40 | 115.5 | 100 | 105.5 | 55 | 6 | 12 | 32 | 33 | 23 | 30 | 850 | 43 | 451 | CAD | 请求报价 |
| LNTM-33-M16-50-E | M16 | 2 | 50 | 115.5 | 100 | 105.5 | 55 | 6 | 12 | 32 | 33 | 23 | 30 | 850 | 43 | 463 | CAD | 请求报价 |
| LNTM-33-M16-63-E | M16 | 2 | 63 | 115.5 | 100 | 105.5 | 55 | 6 | 12 | 32 | 33 | 23 | 30 | 850 | 43 | 482 | CAD | 请求报价 |
| LNTM-33-M16-80-E | M16 | 2 | 80 | 115.5 | 100 | 105.5 | 55 | 6 | 12 | 32 | 33 | 23 | 30 | 850 | 43 | 504 | CAD | 请求报价 |
| LNTM-40-M16-40-E | M16 | 2 | 40 | 130 | 117 | 122.5 | 68 | 6 | 14 | 35 | 40 | 28 | 48 | 750 | 43 | 743 | CAD | 请求报价 |
| LNTM-40-M16-50-E | M16 | 2 | 50 | 130 | 117 | 122.5 | 68 | 6 | 14 | 35 | 40 | 28 | 48 | 750 | 43 | 757 | CAD | 请求报价 |
| LNTM-40-M16-63-E | M16 | 2 | 63 | 130 | 117 | 122.5 | 68 | 6 | 14 | 35 | 40 | 28 | 48 | 750 | 43 | 772 | CAD | 请求报价 |
| LNTM-40-M16-80-E | M16 | 2 | 80 | 130 | 117 | 122.5 | 68 | 6 | 14 | 35 | 40 | 28 | 48 | 750 | 43 | 797 | CAD | 请求报价 |
| LNTM-40-M20-40-E | M20 | 2.5 | 40 | 130 | 117 | 122.5 | 68 | 6 | 14 | 35 | 40 | 28 | 48 | 1500 | 67 | 777 | CAD | 请求报价 |
| LNTM-40-M20-50-E | M20 | 2.5 | 50 | 130 | 117 | 122.5 | 68 | 6 | 14 | 35 | 40 | 28 | 48 | 1500 | 67 | 797 | CAD | 请求报价 |
| LNTM-40-M20-63-E | M20 | 2.5 | 63 | 130 | 117 | 122.5 | 68 | 6 | 14 | 35 | 40 | 28 | 48 | 1500 | 67 | 824 | CAD | 请求报价 |
| LNTM-40-M20-80-E | M20 | 2.5 | 80 | 130 | 117 | 122.5 | 68 | 6 | 14 | 35 | 40 | 28 | 48 | 1500 | 67 | 856 | CAD | 请求报价 |
*1: 最大载荷、最大紧固力的定义请参照“关于夹紧手柄、张紧手柄的使用方法”。⇒关于夹紧手柄、张紧手柄的使用方法
材质、表面处理
| LNTM | |
|---|---|
| 手柄部 | SUM22L 四氧化三铁保护膜(黑) |
| 螺纹部 | SUM22L 四氧化三铁保护膜(黑) |
| 主体 | SUM22L 四氧化三铁保护膜(黑) |
| 握柄 | 酚醛树脂(黑) |
特点
- 标准型张紧手柄。
- 转动半径较大,以较小的力即可获得较大的紧固力。
- 可自由调整手柄相对于螺丝的相位角度。
- LNTM-D的手柄部是水平的,因此适用于上部空间受限的场合。
- 可根据产品符号选择类型及螺纹部的材质。
| 产品符号 | 类型 | 螺纹部材质 |
|---|---|---|
| LNTM-D | 横向手柄 | 钢制 |
| LNTM-E | 带角度的手柄 | 钢制 |
| LNTMS-E | 带角度的手柄 | 不锈钢制 |










