尺寸・CAD
单位 : mm
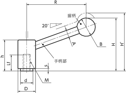
| 型号 | M(粗牙) 螺纹公称直径 |
螺距 | Lf | R | H | H' | h | s | A | B | D | d | 齿数 | 最大载荷*1 (N) |
最大紧固力*1 (kN) |
质量 (g) |
CAD下载 | 请求报价 |
|---|---|---|---|---|---|---|---|---|---|---|---|---|---|---|---|---|---|---|
| LTF-10 | M10 | 1.5 | 23 | 81 | 72.5 | 78 | 42.5 | 2.5 | 10 | 25 | 24 | 17 | 24 | 280 | 16 | 170 | CAD | 请求报价 |
| LTF-12 | M12 | 1.75 | 26 | 99 | 85.5 | 92 | 49.5 | 3.5 | 11 | 25 | 28 | 20 | 26 | 400 | 23 | 270 | CAD | 请求报价 |
| LTF-16 | M16 | 2 | 30 | 118 | 98.5 | 106 | 55.5 | 3.5 | 12 | 30 | 33 | 24 | 36 | 830 | 43 | 405 | CAD | 请求报价 |
| LTF-20 | M20 | 2.5 | 35 | 136 | 114.5 | 123 | 65.5 | 4.5 | 14 | 35 | 41 | 30 | 36 | 1400 | 67 | 705 | CAD | 请求报价 |
*1: 最大载荷、最大紧固力的定义请参照“关于夹紧手柄、张紧手柄的使用方法”。⇒关于夹紧手柄、张紧手柄的使用方法
材质、表面处理
| LTF | |
|---|---|
| 手柄部 | S45C 四氧化三铁保护膜(黑) |
| 螺纹部 | S45C 四氧化三铁保护膜(黑) |
| 握柄 | 酚醛树脂(黑) |
特点
- 强力型夹紧手柄。
-
也生产手柄转动半径等特殊规格的产品。
请垂询客户中心。










