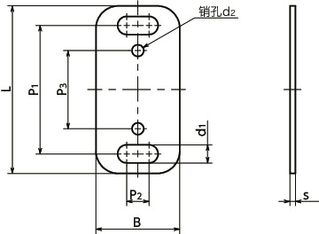
尺寸・CAD
单位 : mm
| 型号 | L | s | B | d1 | d2 | P1 | P2 | P3 | 质量 (g) |
CAD下载 | 请求报价 |
|---|---|---|---|---|---|---|---|---|---|---|---|
| HNARS-60-0.5-MT | 60 | 0.5 | 30 | 6.5 | 4.2 | 46 | 8 | 28 | 6 | CAD | 请求报价 |
| HNARS-60-1-MT | 60 | 1 | 30 | 6.5 | 4.2 | 46 | 8 | 28 | 12 | CAD | 请求报价 |
| HNARS-60-2-MT | 60 | 2 | 30 | 6.5 | 4.2 | 46 | 8 | 28 | 24 | CAD | 请求报价 |
材质、表面处理
| HNARS | |
|---|---|
| 主体 | SUS304 |
特点
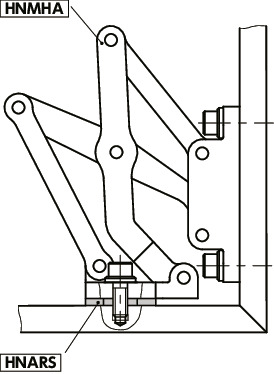
- 铝制大型滑动铰链HNMVAHNMMAHNMHA专用*1辅助垫片。
- 不锈钢制。
- 用于调整铰链和安装面之间的间隙。
- 由于开有销孔,铰链及铰链用辅助垫片更易于定位。用定位销固定销孔和铰链的定位孔,可以防止相互配合的零件转动。
*1: 不可用于不锈钢制大型滑动铰链HNNVSHNNMSHNNHS。
使用例







