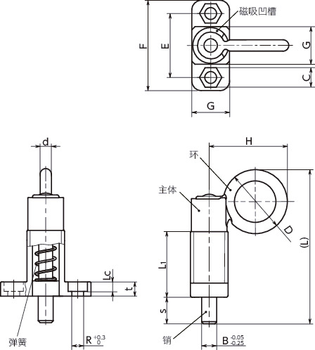
尺寸・CAD
单位 : mm
| 型号 | B | s (行程) |
D | L | L1 | Lc | H | d | C | R | E | F | G | t | 载荷(N) min./max. |
质量 (g) |
销的剪切载荷 (N) |
CAD下载 | 请求报价 |
|---|---|---|---|---|---|---|---|---|---|---|---|---|---|---|---|---|---|---|---|
| PLVYR-8-20-TZB | 8 | 14 | 34 | 82 | 35 | 6 | 41.5 | 6 | 10 | 6.1 | 34 | 48 | 20 | 7.5 | 14/35 | 170 | 4500 | CAD | 请求报价 |
| PLVYR-10-20-TZB | 10 | 14 | 34 | 82 | 35 | 6 | 41.5 | 6 | 10 | 6.1 | 34 | 48 | 20 | 7.5 | 14/35 | 175 | 7030 | CAD | 请求报价 |
| PLVYR-12-20-TZB | 12 | 14 | 34 | 82 | 35 | 6 | 41.5 | 6 | 10 | 6.1 | 34 | 48 | 20 | 7.5 | 14/35 | 180 | 10100 | CAD | 请求报价 |
| PLVYR-14-20-TZB | 14 | 14 | 34 | 82 | 35 | 6 | 41.5 | 6 | 10 | 6.1 | 34 | 48 | 20 | 7.5 | 14/35 | 185 | 13700 | CAD | 请求报价 |
| PLVYR-16-30-TZB | 16 | 20 | 48 | 122 | 54 | 10 | 60 | 9 | 17 | 10.1 | 55 | 80 | 30 | 15 | 22/70 | 650 | 18000 | CAD | 请求报价 |
| PLVYR-20-30-TZB | 20 | 20 | 48 | 122 | 54 | 10 | 60 | 9 | 17 | 10.1 | 55 | 80 | 30 | 15 | 22/70 | 700 | 28100 | CAD | 请求报价 |
材质、表面处理
| PLVYR-TZB | |
|---|---|
| 环 | 精密铸钢产品 三价铬酸盐处理 |
| 主体 | 精密铸钢产品 三价铬酸盐处理 |
| 销 | 钢 三价铬酸盐处理 |
| 弹簧 | 相当于SUS316Ti |
特点
- 将环型分度柱塞和安装用法兰一体化。易于安装到设备、装置上。
- 销的动作方向与法兰面垂直。
- 操作环形部分控制销的缩回与伸出。也可通过安装拉索或带挂钩的延长拉杆,实现远距离操作。
- 拉动环形部分后,再向侧向旋转,即可通过磁吸凹槽将销拉向主体一侧进行锁定。
- 主体为精密铸钢制。减少了机械加工,从而提高了性价比。










