尺寸・CAD
单位 : mm
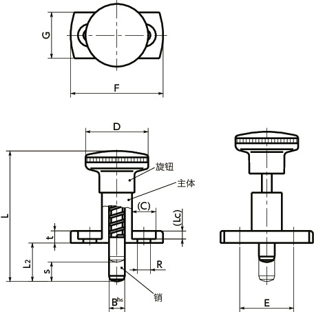
| 型号 | D | L | L2 | Lc | C | R | B | E | F | G | s | t | 载荷(N) min./max. |
质量 (g) |
销的剪切载荷 (N) |
CAD下载 | 请求报价 |
|---|---|---|---|---|---|---|---|---|---|---|---|---|---|---|---|---|---|
| PPLX-6-18 | 23 | 63 | 18 | 4.3 | 7.8 | 4.3 | 6 | 23 | 34 | 13 | 9 | 6 | 6/25 | 43 | 2530 | CAD | 请求报价 |
| PPLX-6-24 | 23 | 69 | 24 | 4.3 | 7.8 | 4.3 | 6 | 23 | 34 | 13 | 9 | 6 | 6/25 | 45 | 2530 | CAD | 请求报价 |
| PPLX-8-20 | 28 | 71 | 20 | 5.5 | 9.4 | 5.5 | 8 | 26 | 38 | 16 | 10 | 8 | 8.5/28 | 75 | 4500 | CAD | 请求报价 |
| PPLX-8-26 | 28 | 77 | 26 | 5.5 | 9.4 | 5.5 | 8 | 26 | 38 | 16 | 10 | 8 | 8.5/28 | 77 | 4500 | CAD | 请求报价 |
| PPLX-10-24 | 28 | 75 | 24 | 5.5 | 9.4 | 5.5 | 10 | 26 | 38 | 16 | 12 | 8 | 9.5/38 | 78 | 7030 | CAD | 请求报价 |
| PPLX-10-32 | 28 | 83 | 32 | 5.5 | 9.4 | 5.5 | 10 | 26 | 38 | 16 | 12 | 8 | 9.5/38 | 82 | 7030 | CAD | 请求报价 |
材质、表面处理
| PPLX | |
|---|---|
| 旋钮 | 尼龙6(亚光黑) |
| 主体 | 钢 四氧化三铁保护膜(黑) |
| 销 | 钢、淬火 |
特点
- 请使用内六角螺栓安装到设备或装置上。
| 型号 | 螺纹尺寸 |
|---|---|
| PPLX-6 | M4 |
| PPLX-8 | M5 |
| PPLX-10 | M5 |











