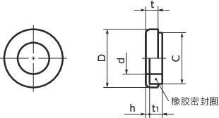
尺寸・CAD
单位 : mm
材质、表面处理
| SWS-HTF | |
|---|---|
| 主体 | SUS304 PFA(全氟烷氧基)涂层 |
| 橡胶密封圈 | 氟橡胶 |
用途
FPD・半导体制造的湿法工艺/印刷电路板蚀刻装置/金属表面处理设备/洗净装置/化学成套设备
特点
- 在垫圈中装入了橡胶密封圈的密封垫圈。
- 防止气体、液体从螺丝头部的座面泄漏。
- 垫圈主体镀有PFA(全氟烷氧基)涂层,橡胶密封圈使用耐药品性优良的氟橡胶。
- 关于PFA涂层的耐药品性⇒耐药螺丝的耐药品性
使用注意事项
- 涂层可能会因紧固时与螺栓底座面之间的摩擦而剥落。请注意避免紧固过度。
- 与SNHS-HTF组合使用时,请将紧固扭矩控制在SNHS-HTF的推荐紧固扭矩以下。










