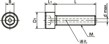
单位 : mm
| 型号 | M(粗牙) 螺纹公称直径 |
螺距 | L | D1 | L1 | B | d max. | 每包数量 | 质量 (g) |
CAD下载 | 请求报价 |
|---|---|---|---|---|---|---|---|---|---|---|---|
| SVSS-M6-20-PC | M6 | 1 | 20 | 10 | 6 | 5 | 2 | 10 | 6.5 | CAD | 请求报价 |
●数量未满1包的订单,会另外收取手续费。详情请垂询散装零售服务。
材质、表面处理
| SVSS-PC | |
|---|---|
| 主体 | SUSXM7(相当于SUS304) 特殊表面处理 |
| 强度等级 | A2-70 |
用途
真空装置/真空容器/FPD制造装置/半导体制造装置/电子显微镜特点
- 通孔易于排出蓄积于设备,装置的螺丝孔底部的气体,为真空装置的真空抽吸提供支持。
- 已完成无尘洗净,无尘包装。⇒无尘洗净、无尘包装服务
- 通过特殊表面处理对表面进行了改质。漏气量极小。最适合在中等真空环境下使用。
- 通孔的加工采用了对金属组织影响很小的加工方法。可抑制使用时的脆性破坏和在真空环境下发生漏气。






