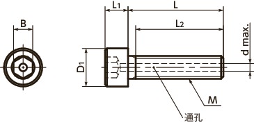
单位 : mm
| 型号 | M(粗牙) 螺纹公称直径 |
螺距 | L | D1 | L1 | L2 | B | d max. |
质量 (g) |
CAD下载 | 请求报价 |
|---|---|---|---|---|---|---|---|---|---|---|---|
| SVSX-M4-6-88 | M4 | 0.7 | 6 | 7 | 4 | 全螺纹 | 3 | 1.5 | 1.5 | CAD | 请求报价 |
●如有订购多件相同尺寸的商品,我们将统一进行无尘包装。
相关服务
材质、表面处理
| SVSX | |
|---|---|
| 主体 | SUS316L HiMo |
| 强度等级 | 8.8 |
用途
真空装置/真空容器/FPD制造装置/半导体制造装置/电子显微镜特点
- 高强度不锈钢制(强度等级8.8)。
- 通孔易于排出蓄积于设备、装置的螺丝孔底部的气体,为真空装置的真空抽吸提供支持。
- 耐热性、耐蚀性优良。
- 无磁。
- 经过无尘洗净・无尘包装。⇒无尘洗净、无尘包装服务
- 关于SUS316L HiMo的特性SNSX-88SNSX-109





