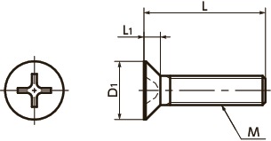
单位 : mm
| 型号 | M(粗牙) 螺纹公称直径 |
螺距 | L | D1 | L1 | 十字槽型号 | 拉伸断裂 载荷(N)*1 |
扭转断裂 扭矩 (N・m)*1 |
每包数量 | 质量 (g) |
CAD下载 | 请求报价 |
|---|---|---|---|---|---|---|---|---|---|---|---|---|
| SPA-M4-25-F | M4 | 0.7 | 25 | 8 | 2.3 | 2 | 1499 | 0.85 | 50 | 0.52 | CAD | 请求报价 |
*1: 表中数值仅供参考,并非保证值。推荐紧固扭矩为扭转断裂扭矩的50%。
●数量未满1包的订单,会另外收取手续费。详情请垂询散装零售服务。
相关服务
材质、表面处理
| SPA-F | |
|---|---|
| 主体 | RENYTM*1(玻璃纤维50%强化聚酰胺MXD6) (象牙色) |
| 耐热温度*2 | 105℃ |
*1: RENYTM是三菱瓦斯化学株式会社的商标或注册商标。
*2: 树脂材料的数值。视紧固扭矩等使用条件的不同,商品的最高使用温度会发生变化。
用途
冷藏冷冻设备的隔热、防结露电气·电子设备/海洋设备/电镀设备
特点
- RENYTM制十字槽埋头小螺钉。
- RENYTM是拉伸强度与抗弯强度优良的热可塑性工程塑料。
- 耐疲劳性、抗蠕变性与隔热性优良。
- 具有接近金属的强度,重量仅为铁的约1/5。
- 有关树脂螺丝的特性和使用注意事项,请参阅“树脂螺丝的特性”。⇒树脂螺丝的特性



