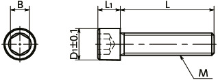
单位 : mm
特点
- 头部直径较小的内六角圆柱头螺栓。可形成比普通的内六角圆柱头螺栓更小的锪孔直径。
- 耐腐蚀性,耐磨损性优良。
- 优良的润滑性。适用于螺丝的防粘连,防烧结。
材质、表面处理
| SNSS-SD-MO | |
|---|---|
| 主体 | SUSXM7(相当于SUS304) 二硫化钼涂层 |
| 强度等级 | A2-70 |
相关服务
用途
设备,装置的省空间化防粘连,防烧结
使用例
还能对普通的内六角圆柱头螺栓未能进行锪孔加工的部位进行锪孔加工,从而可以隐藏头部。
使用注意事项
- 头部底座面的面积小,底座面压力高。
- 请参考以下公式,注意不要让由螺丝紧固而形成的底座面压力超出被紧固材料的容许表面压力。

头部直径和螺丝有效截面积
| 型号 | 头部直径(mm) | 螺丝有效截面积(mm2) |
|---|---|---|
| SNSS-M3-SD-MO | 4.5 | 5.03 |
| SNSS-M4-SD-MO | 5.5 | 8.78 |
| SNSS-M5-SD-MO | 7 | 14.2 |
| SNSS-M6-SD-MO | 8.5 | 20.1 |
| SNSS-M8-SD-MO | 11 | 36.6 |
| SNSS-M10-SD-MO | 13.5 | 58 |




