单位 : mm
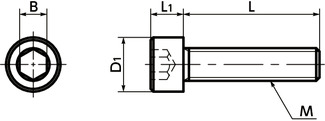
| 型号 | M(粗牙) 螺纹公称直径 |
螺距 | L | D1 | L1 | B | 拉伸断裂 载荷(N)*1 |
扭转断裂 扭矩 (N・m)*1 |
每包数量 | 质量 (g) |
CAD下载 | 请求报价 |
|---|---|---|---|---|---|---|---|---|---|---|---|---|
| SPEG-M5-20-C | M5 | 0.8 | 20 | 8.5 | 5 | 4 | 1756 | 1.45 | 10 | 0.73 | CAD | 请求报价 |
*1: 表中数值仅供参考,并非保证值。推荐紧固扭矩为扭转断裂扭矩的50%。
●数量未满1包的订单,会另外收取手续费。详情请垂询散装零售服务。
相关服务
材质、表面处理
| SPEG-C | |
|---|---|
| 主体 | PEEK GF30(含有玻璃纤维的聚醚醚酮)(淡茶) (玻璃纤维30%) |
| 耐热温度*1 | 260℃ |
*1: 树脂材料的数值。视紧固扭矩等使用条件的不同,商品的最高使用温度会发生变化。
用途
FPD制造装置/半导体制造装置/印刷电路板蚀刻装置/金属表面处理设备/化学成套设备/变压器/电气与电子设备/热水泵/
化工泵
特点
- 因含有玻璃纤维而强度更高的PEEK制内六角圆柱头螺栓。材料的拉伸强度约为普通PEEK的1.7倍。
- PEEK是理化特性优异的热可塑性超级工程塑料。
- 具有优良的耐药性。几乎不受浓硫酸、浓硝酸、浓氢氟酸以外的药品的侵蚀。
- 耐热性与耐水性优良,耐热强度高。
- 耐磨性、耐冲击性与耐疲劳性优良。
- 具有满足UL94标准中V-0级别的高阻燃性。
- 有关树脂螺丝的特性和使用注意事项⇒树脂螺丝的特性
- 为了与不含玻璃纤维的PEEK制内六角圆柱头螺栓SPE-C区分,SPEG-C去除了螺丝头部的滚花。

使用注意事项
由于PEEK螺丝成形时会产生螺距累积误差,请将与内螺纹的配合控制在20mm以下。规格变更说明
为实现可持续绿色采购,我们变更了树脂螺丝(PEEK GF30 / 内六角圆柱头螺栓)SPEG-C的材料。详情请查看
https://www.nbk1560-chn.com.cn/news/2024/20240410/



