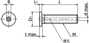
单位 : mm
| 型号 | M(粗牙) 螺纹公称直径 |
螺距 | L | D1 | L1 | B | t max. | d max. | 质量 (g) |
CAD下载 | 请求报价 |
|---|---|---|---|---|---|---|---|---|---|---|---|
| SVSHT-M6-16 | M6 | 1.0 | 16 | 10 | 1.5 | 3 | 4 | 2 | 1.8 | CAD | 请求报价 |
●如有订购多件相同尺寸的商品,我们将统一进行无尘包装。
相关服务
材质、表面处理
| SVSHT | |
|---|---|
| 主体 | TW340(2类钛) |
用途
真空装置/真空容器/FPD制造装置/半导体制造装置/电子显微镜特点
- 通孔易于排出蓄积于设备、装置的螺丝孔底部的气体,为真空装置的真空抽吸提供支持。
- 头部高度均在1.5mm以下。可实现设备、装置的小型化或用于上部空间有限的用途。
- 钛合金制。耐腐蚀性优良。
- 通过特殊表面处理对表面进行了改质。漏气量极小。
- 无磁性。
- 已完成无尘洗净、无尘包装。⇒无尘洗净、无尘包装服务
- 钛合金材质的特性请参阅“钛合金的特性”。⇒钛的特性
使用例
对需要排出蓄积于螺丝孔底部的气体的真空装置、真空容器有效。



