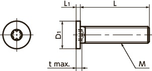
单位 : mm
| 型号 | M(粗牙) 螺纹公称直径 |
螺距 | L | D1 | L1 | 适用扳手 | 梅花槽序号 No. |
t | 最大紧固扭矩 (N・m) |
毎包数量 | 质量 (g) |
CAD下载 | 请求报价 |
|---|---|---|---|---|---|---|---|---|---|---|---|---|---|
| SSTS-M2.5-4 | M2.5 | 0.45 | 4 | 5 | 1.3 | SKX-6 | 6 | 1 | 0.36 | 10 | 0.23 | CAD | 请求报价 |
●数量未满1包的订单,会另外收取手续费。详情请垂询散装零售服务。
特点
- 头部高度均在1.5mm以下。
- 可节省设备与装置的空间或用于上部空间有限的部位。
- 梅花槽*1为能承受高紧固扭矩的形状。⇒梅花槽螺丝的特点
- 请将专用扳手SKX或专用螺丝批头SKXB与专用磁性螺丝刀SRD组合使用以进行安装、拆卸。
- 在狭窄场所安装、拆卸时,请使用对应窄处作业梅花槽扳手SKX-N。
*1: 梅花槽的形状在JIS B 1015:2008(ISO 10664:2005)“外螺纹零部件用梅花槽”中有规定。
材质、表面处理
| SSTS | |
|---|---|
| 主体 | SUSXM7(相当于SUS304) |
| 强度等级 | A2-50 |







