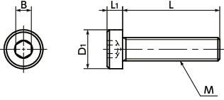
单位 : mm
| 型号 | M(粗牙) 螺纹公称直径 |
螺距 | L | D1 | L1 | B | 拉伸断裂 载荷(N)*1 |
扭转断裂 扭矩*1 (N・m) |
质量 (g) |
CAD下载 | 请求报价 |
|---|---|---|---|---|---|---|---|---|---|---|---|
| SPA-M6-10-LC | M6 | 1 | 10 | 10 | 4 | 4 | 2767 | 2.26 | 0.75 | CAD | 请求报价 |
*1: 表中数值仅供参考,并非保证值。推荐紧固扭矩为扭转断裂扭矩的50%。
●数量未满1包的订单,会另外收取手续费。详情请垂询散装零售服务。
特点
- 头部高度较低的内六角螺栓。
- 可节省设备与装置的空间或用于上部空间有限的部位。
- RENYTM是拉伸强度与弯曲强度优良的热可塑性工程塑料。
- 抗疲劳性、抗蠕变性与隔热性优良。
- 具有接近金属的强度,重量仅为铁的约1/5。
- 有关树脂螺丝的特性与使用注意事项⇒树脂螺丝的特性
材质、表面处理
| SPA-LC | |
|---|---|
| 主体 | RENYTM*1(玻璃纤维50%增强聚缩醛MXD6)(黑色) |
| 耐热温度*2 | 105℃ |
*1: RENYTM是三菱瓦斯化学株式会社的商标或注册商标。
*2: 树脂材料的数值。视紧固扭矩等使用条件的不同,商品的最高使用温度会发生变化。
相关服务
用途
电气、电子设备/冷藏冷冻设备的隔热、防结露/船舶设备/电镀设备/汽车、航空航天设备等的轻量化



