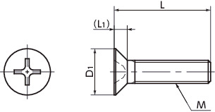
单位 : mm
| 型号 | M(粗牙) 螺纹公称直径 |
螺距 | L | D1 | L1 | 十字槽型号 | 拉伸断裂 载荷(N)*1 |
扭转断裂 扭矩 (N・m)*1 |
每包数量 | 质量 (g) |
CAD下载 | 请求报价 |
|---|---|---|---|---|---|---|---|---|---|---|---|---|
| SPC-M5-25-F | M5 | 0.8 | 25 | 10 | 2.8 | 2 | 797 | 0.8 | 50 | 0.54 | CAD | 请求报价 |
*1: 表中数值仅供参考,并非保证值。推荐紧固扭矩为扭转断裂扭矩的50%。
●数量未满1包的订单,会另外收取手续费。详情请垂询散装零售服务。
特点
- PC(聚碳酸酯)制十字槽埋头小螺钉。
- 在工程塑料当中,PC(聚碳酸酯)具有最佳的耐冲击性。
- 使用温度范围*1(min./max.):-40℃/115℃
- 吸水性弱,耐气候性优异。
- 有关树脂螺丝的特性和使用注意事项,请参阅“树脂螺丝的特性”。⇒树脂螺丝的特性
材质、表面处理
| SPC-F | |
|---|---|
| 主体 | PC(聚碳酸酯)(透明) |
| 耐热温度*1 | 115℃ |
*1: 树脂材料的数值。视紧固扭矩等使用条件的不同,商品的最高使用温度会发生变化。



