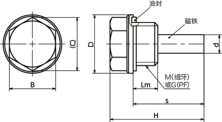
单位 : mm
| 型号 | D | M(细牙) 螺纹公称直径 |
螺距 | G(PF) 螺纹公称直径 |
Lm | d | H | s | B | C | 质量 (g) |
CAD下载 | 请求报价 |
|---|---|---|---|---|---|---|---|---|---|---|---|---|---|
| QPMSH-26-G1/2-A4 | 26 | - | - | G1/2 | 8.5 | 6 | 31 | 23.5 | 21 | 24.3 | 52 | CAD | 请求报价 |
材质、表面处理
| QPMSH-A4 | |
|---|---|
| 主体 | 相当于SUS316L |
| 磁铁 | 铝镍钴 |
| 油封 | 氟橡胶·褐 |
特点
- 带磁铁的螺塞。磁铁会吸附液体中的铁粉,防止其散乱在油中。
- 主体相当于SUS316L。
-
将公制细牙螺纹和平行管螺纹标准化。
QPMSH-M----公制细牙螺纹
QPMSH-G----平行管螺纹 - 可使用温度:180℃







