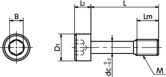
单位 : mm
| 型号 | M(粗牙) 螺纹公称直径 |
螺距 | L | Lm | D1 | L1 | B | dc | 质量 (g) |
CAD下载 | 请求报价 |
|---|---|---|---|---|---|---|---|---|---|---|---|
| SSC-M3-12-RY | M3 | 0.5 | 12 | 4 | 5.5 | 3 | 2.5 | 2.2 | 0.96 | CAD | 请求报价 |
相关服务
材质、表面处理
| SSC-RY | |
|---|---|
| 主体 | SUSXM7(相当于SUS304) 低温镀黑铬处理 |
| 强度等级 | A2-70 |
用途
固定保护盖,检查盖对应CE标志
机床/食品机械/电气,电子设备
特点
- 防止螺丝的脱落,丢失。用于固定频繁安装,拆卸的保护盖及检查盖。
- 适用于对应CE标志。⇒请使用NBK的防脱落螺钉系列来对应CE标志
- 耐腐蚀性,耐药性,耐磨损性优良。
- 可在漏气量少,真空环境下使用。
- 优良的润滑性。适用于螺丝的防粘连,防烧结。
- 分光反射率1.5%以下。用于需要防反射的光学设备等用途。⇒特殊材质螺丝的特性
使用注意事项
- 请将盖子侧的螺孔小径设定在dc尺寸以上。
- 请将盖子厚度设定在0.8mm以上。
安装示例
请在护罩上加工螺纹孔,将SSC-RY的螺纹部穿过。由于SSC-RY的螺纹部卡在盖子的螺孔上,即使从框架上卸下螺丝,SSC-RY也不会从盖子上脱落。




