尺寸・CAD
单位 : mm
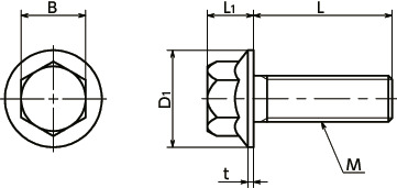
| 型号 | M(粗牙) 螺纹公称直径 |
螺距 | L | D1 | L1 | B | t | 每包数量 | 质量 (g) |
CAD下载 | 请求报价 |
|---|---|---|---|---|---|---|---|---|---|---|---|
| SFH-M8-16-TZB | M8 | 1.25 | 16 | 17.5 | 8 | 12 | 1 | 20 | 12 | CAD | 请求报价 |
| SFH-M8-20-TZB | M8 | 1.25 | 20 | 17.5 | 8 | 12 | 1 | 20 | 13 | CAD | 请求报价 |
| SFH-M8-25-TZB | M8 | 1.25 | 25 | 17.5 | 8 | 12 | 1 | 20 | 15 | CAD | 请求报价 |
| SFH-M8-30-TZB | M8 | 1.25 | 30 | 17.5 | 8 | 12 | 1 | 20 | 16 | CAD | 请求报价 |
| SFH-M8-35-TZB | M8 | 1.25 | 35 | 17.5 | 8 | 12 | 1 | 20 | 19 | CAD | 请求报价 |
| SFH-M10-20-TZB | M10 | 1.5 | 20 | 21 | 10 | 14 | 1.2 | 10 | 24 | CAD | 请求报价 |
| SFH-M10-25-TZB | M10 | 1.5 | 25 | 21 | 10 | 14 | 1.2 | 10 | 26 | CAD | 请求报价 |
| SFH-M10-30-TZB | M10 | 1.5 | 30 | 21 | 10 | 14 | 1.2 | 10 | 27 | CAD | 请求报价 |
| SFH-M10-35-TZB | M10 | 1.5 | 35 | 21 | 10 | 14 | 1.2 | 10 | 31 | CAD | 请求报价 |
| SFH-M12-25-TZB | M12 | 1.75 | 25 | 25 | 11.5 | 17 | 1.4 | 10 | 39 | CAD | 请求报价 |
| SFH-M12-30-TZB | M12 | 1.75 | 30 | 25 | 11.5 | 17 | 1.4 | 10 | 43 | CAD | 请求报价 |
| SFH-M12-35-TZB | M12 | 1.75 | 35 | 25 | 11.5 | 17 | 1.4 | 10 | 46 | CAD | 请求报价 |
●数量未满1包的订单,会另外收取手续费。详情请垂询散装零售服务。
相关服务
材质、表面处理
| SFH-TZB | |
|---|---|
| 主体 | SWRCH10R 三价铬酸盐处理 |
| 强度等级 | 4.8 |
特点
- 符合JIS B 1189标准的带法兰六角螺栓。
- 由于头部的法兰使座面变大,因此与普通六角螺栓相比,施加在被紧固材料上的压力被分散,不易造成座面下沉。另外,即使在钻孔直径较大的情况下,也可以确保座面。
- 不需要垫圈组装作业,可以减少零件数量。
- 由于不使用垫圈,因此最适合机器人的螺丝紧固自动化用途。









