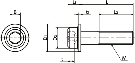
单位 : mm
| 型号 | M(粗牙) 螺纹公称直径 |
螺距 | L | D1 | D2 | L1 | L2 | B | t | t1 | 每包数量 | 质量 (g) |
CAD下载 | 请求报价 |
|---|---|---|---|---|---|---|---|---|---|---|---|---|---|---|
| SFS-M6-35 | M6 | 1 | 35 | 12.5 | 10 | 6 | 18 | 5 | 3 | 1.6 | 20 | 9.9 | CAD | 请求报价 |
●数量未满1包的订单,会另外收取手续费。详情请垂询散装零售服务。
材质、表面处理
| SFS | |
|---|---|
| 主体 | SCM435 四氧化三铁保护膜(黑) |
| 强度等级 | 12.9 |
特点
- 由于头部的法兰使座面变大,因此与普通内六角圆柱头螺栓相比,施加在被紧固材料上的压力被分散,不易造成座面下沉。另外,即使在钻孔直径较大的情况下,也可以确保座面。
- 不需要垫圈组装作业,可以减少零件数量。
- 由于不使用垫圈,因此最适合机器人的螺丝紧固自动化用途。



