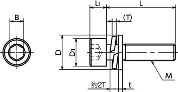
尺寸・CAD
单位 : mm
| 型号 | M(粗牙) 螺纹公称直径 |
螺距 | L | D1 | D | L1 | B | t | T (约) |
可连接 最小板厚 |
每包数量 | 质量 (g) |
CAD下载 | 请求报价 |
|---|---|---|---|---|---|---|---|---|---|---|---|---|---|---|
| SNSQS-M5-8-SUC | M5 | 0.8 | 8 | 8.5 | 12 | 5 | 4 | 0.8 | 1.3 | 1.5 | 20 | 3.5 | CAD | 请求报价 |
| SNSQS-M5-10-SUC | M5 | 0.8 | 10 | 8.5 | 12 | 5 | 4 | 0.8 | 1.3 | 1.5 | 20 | 3.8 | CAD | 请求报价 |
| SNSQS-M5-12-SUC | M5 | 0.8 | 12 | 8.5 | 12 | 5 | 4 | 0.8 | 1.3 | 1.5 | 20 | 4.1 | CAD | 请求报价 |
| SNSQS-M5-16-SUC | M5 | 0.8 | 16 | 8.5 | 12 | 5 | 4 | 0.8 | 1.3 | 1.5 | 20 | 4.7 | CAD | 请求报价 |
| SNSQS-M5-20-SUC | M5 | 0.8 | 20 | 8.5 | 12 | 5 | 4 | 0.8 | 1.3 | 1.5 | 20 | 5.3 | CAD | 请求报价 |
| SNSQS-M5-25-SUC | M5 | 0.8 | 25 | 8.5 | 12 | 5 | 4 | 0.8 | 1.3 | 1.5 | 20 | 6.1 | CAD | 请求报价 |
| SNSQS-M5-30-SUC | M5 | 0.8 | 30 | 8.5 | 12 | 5 | 4 | 0.8 | 1.3 | 1.5 | 20 | 6.8 | CAD | 请求报价 |
| SNSQS-M5-35-SUC | M5 | 0.8 | 35 | 8.5 | 12 | 5 | 4 | 0.8 | 1.3 | 1.5 | 20 | 7.6 | CAD | 请求报价 |
●数量未满1包的订单,会另外收取手续费。详情请垂询散装零售服务。
相关服务
材质、表面处理
| SNSQS-SUC | |
|---|---|
| 螺纹主体 | SUSXM7(相当于SUS304) |
| 螺纹主体强度等级 | A2-50 |
| 平垫圈 | SUS304 |
| 弹簧垫圈 | SUS304 |
用途
外饰面板/半导体生产设备/设备・装置构造体/海洋设备/一般工业机械特点
- 不锈钢制薄板固定用带垫圈内六角圆柱头螺栓。
- 螺丝中装入了旧JIS平垫圈和弹簧垫圈,无需担心脱落。(垫圈简称:P=3)
- 关于带垫圈螺丝,请参阅“什么是带垫圈螺丝(组合螺丝)”。
- 与普通带垫圈螺丝相比,通过缩短包括不完全螺纹部在内的圆柱部,可以实现薄板的紧固。可连接板厚不到普通带垫圈螺丝的一半。*1
*1: 可连接的板厚请参照尺寸表中的“可连接最小板厚”。
- 也生产尺寸,材质,头部形状等特殊规格的薄板固定用螺栓。请垂询客户中心。







