尺寸・CAD
单位 : mm
| 型号 | M(粗牙) 螺纹公称直径 |
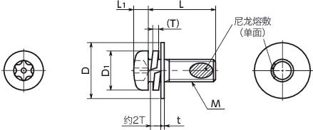
螺距 | L | D1 | D | L1 | t | T (约) |
适用扳手 | 适用磁性 螺丝刀 |
梅花槽 序号 No. |
每包数量 | 质量 (g) |
CAD下载 | 请求报价 |
|---|---|---|---|---|---|---|---|---|---|---|---|---|---|---|---|
| SRTSQ-M2-5-TZB-ALK | M2 | 0.4 | 5 | 3.5 | 5 | 1.3 | 0.3 | 0.7 | - | SRD-6.35 | 6 | 20 | 0.24 | CAD | 请求报价 |
| SRTSQ-M2-6-TZB-ALK | M2 | 0.4 | 6 | 3.5 | 5 | 1.3 | 0.3 | 0.7 | - | SRD-6.35 | 6 | 20 | 0.26 | CAD | 请求报价 |
| SRTSQ-M2-8-TZB-ALK | M2 | 0.4 | 8 | 3.5 | 5 | 1.3 | 0.3 | 0.7 | - | SRD-6.35 | 6 | 20 | 0.27 | CAD | 请求报价 |
| SRTSQ-M2.6-5-TZB-ALK | M2.6 | 0.45 | 5 | 4.5 | 6.5 | 1.7 | 0.5 | 0.7 | - | SRD-6.35 | 8 | 20 | 0.45 | CAD | 请求报价 |
| SRTSQ-M2.6-6-TZB-ALK | M2.6 | 0.45 | 6 | 4.5 | 6.5 | 1.7 | 0.5 | 0.7 | - | SRD-6.35 | 8 | 20 | 0.48 | CAD | 请求报价 |
| SRTSQ-M2.6-8-TZB-ALK | M2.6 | 0.45 | 8 | 4.5 | 6.5 | 1.7 | 0.5 | 0.7 | - | SRD-6.35 | 8 | 20 | 0.57 | CAD | 请求报价 |
| SRTSQ-M3-6-TZB-ALK | M3 | 0.5 | 6 | 5.5 | 7 | 2 | 0.5 | 0.7 | SRX-10 | SRD-6.35 | 10 | 20 | 0.68 | CAD | 请求报价 |
| SRTSQ-M3-8-TZB-ALK | M3 | 0.5 | 8 | 5.5 | 7 | 2 | 0.5 | 0.7 | SRX-10 | SRD-6.35 | 10 | 20 | 0.75 | CAD | 请求报价 |
| SRTSQ-M3-10-TZB-ALK | M3 | 0.5 | 10 | 5.5 | 7 | 2 | 0.5 | 0.7 | SRX-10 | SRD-6.35 | 10 | 20 | 0.87 | CAD | 请求报价 |
| SRTSQ-M4-8-TZB-ALK | M4 | 0.7 | 8 | 7 | 9 | 2.6 | 0.8 | 1 | SRX-20 | SRD-6.35 | 20 | 20 | 1.61 | CAD | 请求报价 |
| SRTSQ-M4-10-TZB-ALK | M4 | 0.7 | 10 | 7 | 9 | 2.6 | 0.8 | 1 | SRX-20 | SRD-6.35 | 20 | 20 | 1.77 | CAD | 请求报价 |
| SRTSQ-M4-12-TZB-ALK | M4 | 0.7 | 12 | 7 | 9 | 2.6 | 0.8 | 1 | SRX-20 | SRD-6.35 | 20 | 20 | 1.92 | CAD | 请求报价 |
●数量未满1包的订单,会另外收取手续费。详情请垂询散装零售服务。
相关服务
材质、表面处理
| SRTSQ-TZB-ALK | |
|---|---|
| 螺纹主体 | 钢 三价铬酸盐处理 |
| 螺纹主体强度等级 | 相当于4.8 |
| 平垫圈 | 钢 三价铬酸盐处理 |
| 弹簧垫圈 | 钢 三价铬酸盐处理 |
| 尼龙熔敷 | 尼龙11 |
用途
设备和装置的拆分、防破坏室外设备的防盗
安全防范措施
安全措施
防止螺丝回转、脱落
特点
- 梅花槽*1中央带芯的带垫圈盘头小螺钉。
- 带尼龙熔敷。
- 螺丝中装入了旧JIS平垫圈和弹簧垫圈,无需担心脱落。(垫圈简称:I=3)
- 关于带垫圈螺丝,请参阅“什么是带垫圈螺丝(组合螺丝)”。
- 锪孔中使用垫圈时,螺栓和垫圈可以同时拆装,操作性更优异。
- 通过螺丝部熔敷的尼龙的摩擦阻力来抑制螺丝回转。
- 由于可抑制回转,即使已失去连接力,仍可以防止螺丝脱落。
- 尼龙熔敷的耐热温度为120℃。
- 使用普通工具无法安装或拆卸。
- 请将专用扳手SRX或专用螺丝批头SRXB与专用磁性螺丝刀SRD组合使用以进行安装、拆卸。
*1: 梅花槽的形状在JIS B 1015:2008(ISO 10664:2005)“外螺纹零部件用梅花槽”中有规定。











