尺寸・CAD
单位 : mm
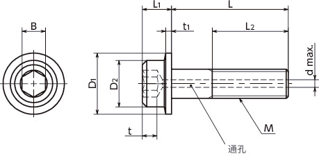
| 型号 | M(粗牙) 螺纹公称直径 |
螺距 | L | D1 | D2 | L1 | L2 | B | t | t1 | d max. | 每包数量 | 质量 (g) |
CAD下载 | 请求报价 |
|---|---|---|---|---|---|---|---|---|---|---|---|---|---|---|---|
| SVFSS-M8-12-PC | M8 | 1.25 | 12 | 17 | 13 | 8 | 全螺纹 | 6 | 4 | 1.6 | 2 | 10 | 11 | CAD | 请求报价 |
| SVFSS-M8-16-PC | M8 | 1.25 | 16 | 17 | 13 | 8 | 全螺纹 | 6 | 4 | 1.6 | 2 | 10 | 13 | CAD | 请求报价 |
| SVFSS-M8-20-PC | M8 | 1.25 | 20 | 17 | 13 | 8 | 全螺纹 | 6 | 4 | 1.6 | 2 | 10 | 14 | CAD | 请求报价 |
| SVFSS-M8-25-PC | M8 | 1.25 | 25 | 17 | 13 | 8 | 全螺纹 | 6 | 4 | 1.6 | 2 | 10 | 15 | CAD | 请求报价 |
| SVFSS-M8-30-PC | M8 | 1.25 | 30 | 17 | 13 | 8 | 全螺纹 | 6 | 4 | 1.6 | 2 | 10 | 17 | CAD | 请求报价 |
●数量未满1包的订单,会另外收取手续费。详情请垂询散装零售服务。
材质、表面处理
| SVFSS-PC | |
|---|---|
| 主体 | SUSXM7(相当于SUS304) 特殊表面处理 |
| 强度等级 | A2-70 |
用途
FPD制造装置/半导体制造装置/印刷电路板蚀刻装置/金属表面处理设备/化学成套设备特点
- 由于头部的法兰使座面变大,因此与普通内六角圆柱头螺栓相比,施加在被紧固材料上的压力被分散,不易造成座面下沉。另外,即使在钻孔直径较大的情况下,也可以确保座面。
- 不需要垫圈组装作业,可以减少零件数量。
- 由于不使用垫圈,因此最适合机器人的螺丝紧固自动化用途。
- 通孔易于排出蓄积于设备、装置的螺丝孔底部的气体,为真空装置的真空抽吸提供支持。
- 已完成无尘洗净、无尘包装。⇒无尘洗净、无尘包装服务
- 通过特殊表面处理对表面进行了改质。漏气量极小。最适合在中等真空环境下使用。







