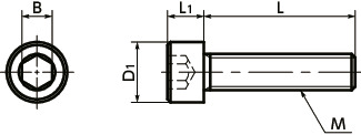
尺寸・CAD
单位 : mm
| 型号 | M(粗牙) 螺纹公称直径 |
螺距 | L | D1 | L1 | B | 最大紧固 扭矩 (N・m) |
每包数量 | 质量 (g) |
CAD下载 | 请求报价 |
|---|---|---|---|---|---|---|---|---|---|---|---|
| SNS-M1.6-3 | M1.6 | 0.35 | 3 | 3 | 1.6 | 1.5 | 0.25 | 10 | 0.09 | CAD | 请求报价 |
| SNS-M1.6-4 | M1.6 | 0.35 | 4 | 3 | 1.6 | 1.5 | 0.25 | 10 | 0.1 | CAD | 请求报价 |
| SNS-M1.6-5 | M1.6 | 0.35 | 5 | 3 | 1.6 | 1.5 | 0.25 | 10 | 0.11 | CAD | 请求报价 |
| SNS-M1.6-6 | M1.6 | 0.35 | 6 | 3 | 1.6 | 1.5 | 0.25 | 10 | 0.12 | CAD | 请求报价 |
| SNS-M2-3 | M2 | 0.4 | 3 | 3.8 | 2 | 1.5 | 0.53 | 10 | 0.16 | CAD | 请求报价 |
| SNS-M2-4 | M2 | 0.4 | 4 | 3.8 | 2 | 1.5 | 0.53 | 10 | 0.18 | CAD | 请求报价 |
| SNS-M2-5 | M2 | 0.4 | 5 | 3.8 | 2 | 1.5 | 0.53 | 10 | 0.2 | CAD | 请求报价 |
| SNS-M2-6 | M2 | 0.4 | 6 | 3.8 | 2 | 1.5 | 0.53 | 10 | 0.22 | CAD | 请求报价 |
| SNS-M2-3-MS | M2 | 0.4 | 3 | 3.3 | 2 | 1.5 | 0.53 | 10 | 0.16 | CAD | 请求报价 |
| SNS-M2-5-MS | M2 | 0.4 | 5 | 3.3 | 2 | 1.5 | 0.53 | 10 | 0.2 | CAD | 请求报价 |
| SNS-M2.5-4 | M2.5 | 0.45 | 4 | 4.5 | 2.5 | 2 | 1.12 | 10 | 0.35 | CAD | 请求报价 |
| SNS-M2.5-5 | M2.5 | 0.45 | 5 | 4.5 | 2.5 | 2 | 1.12 | 10 | 0.38 | CAD | 请求报价 |
| SNS-M2.5-6 | M2.5 | 0.45 | 6 | 4.5 | 2.5 | 2 | 1.12 | 10 | 0.41 | CAD | 请求报价 |
| SNS-M2.5-8 | M2.5 | 0.45 | 8 | 4.5 | 2.5 | 2 | 1.12 | 10 | 0.47 | CAD | 请求报价 |
●数量未满1包的订单,会另外收取手续费。详情请垂询散装零售服务。
材质、表面处理
| SNS | |
|---|---|
| 主体 | SCM435 四氧化三铁保护膜(黑) |
用途
仪器、装置的小型化小型精密仪器
特点
- M1.6~M2.5。用于精密仪器的精密螺丝。
使用例
用于固定小型直线导轨的轨道及平台。



/13331_1.jpg?upd=20230914140543&awscf_publishdate=2026-02-24 14:02)




