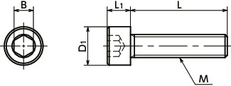
尺寸・CAD
单位 : mm
| 型号 | M(粗牙) 螺纹公称直径 |
螺距 | L | D1 | L1 | B | 每包数量 | 质量 (g) |
CAD下载 | 请求报价 |
|---|---|---|---|---|---|---|---|---|---|---|
| SNSLG-M3-6-PC | M3 | 0.5 | 6 | 5.5 | 3 | 2.5 | 10 | 0.71 | CAD | 请求报价 |
| SNSLG-M3-8-PC | M3 | 0.5 | 8 | 5.5 | 3 | 2.5 | 10 | 0.88 | CAD | 请求报价 |
| SNSLG-M3-10-PC | M3 | 0.5 | 10 | 5.5 | 3 | 2.5 | 10 | 0.96 | CAD | 请求报价 |
| SNSLG-M3-12-PC | M3 | 0.5 | 12 | 5.5 | 3 | 2.5 | 10 | 1 | CAD | 请求报价 |
| SNSLG-M3-15-PC | M3 | 0.5 | 15 | 5.5 | 3 | 2.5 | 10 | 1 | CAD | 请求报价 |
| SNSLG-M3-20-PC | M3 | 0.5 | 20 | 5.5 | 3 | 2.5 | 10 | 1.4 | CAD | 请求报价 |
| SNSLG-M3-25-PC | M3 | 0.5 | 25 | 5.5 | 3 | 2.5 | 10 | 1.6 | CAD | 请求报价 |
| SNSLG-M4-8-PC | M4 | 0.7 | 8 | 7 | 4 | 3 | 10 | 1.6 | CAD | 请求报价 |
| SNSLG-M4-10-PC | M4 | 0.7 | 10 | 7 | 4 | 3 | 10 | 1.8 | CAD | 请求报价 |
| SNSLG-M4-12-PC | M4 | 0.7 | 12 | 7 | 4 | 3 | 10 | 2 | CAD | 请求报价 |
| SNSLG-M4-15-PC | M4 | 0.7 | 15 | 7 | 4 | 3 | 10 | 2.3 | CAD | 请求报价 |
| SNSLG-M4-20-PC | M4 | 0.7 | 20 | 7 | 4 | 3 | 10 | 2.7 | CAD | 请求报价 |
| SNSLG-M4-25-PC | M4 | 0.7 | 25 | 7 | 4 | 3 | 10 | 3.2 | CAD | 请求报价 |
| SNSLG-M5-10-PC | M5 | 0.8 | 10 | 8.5 | 5 | 4 | 10 | 2.7 | CAD | 请求报价 |
| SNSLG-M5-12-PC | M5 | 0.8 | 12 | 8.5 | 5 | 4 | 10 | 3 | CAD | 请求报价 |
| SNSLG-M5-15-PC | M5 | 0.8 | 15 | 8.5 | 5 | 4 | 10 | 3.5 | CAD | 请求报价 |
| SNSLG-M5-20-PC | M5 | 0.8 | 20 | 8.5 | 5 | 4 | 10 | 4 | CAD | 请求报价 |
| SNSLG-M5-25-PC | M5 | 0.8 | 25 | 8.5 | 5 | 4 | 10 | 4.8 | CAD | 请求报价 |
| SNSLG-M5-30-PC | M5 | 0.8 | 30 | 8.5 | 5 | 4 | 10 | 5.6 | CAD | 请求报价 |
| SNSLG-M6-12-PC | M6 | 1 | 12 | 10 | 6 | 5 | 10 | 5.1 | CAD | 请求报价 |
| SNSLG-M6-15-PC | M6 | 1 | 15 | 10 | 6 | 5 | 10 | 5.8 | CAD | 请求报价 |
| SNSLG-M6-20-PC | M6 | 1 | 20 | 10 | 6 | 5 | 10 | 6.5 | CAD | 请求报价 |
| SNSLG-M6-25-PC | M6 | 1 | 25 | 10 | 6 | 5 | 10 | 7.6 | CAD | 请求报价 |
| SNSLG-M6-30-PC | M6 | 1 | 30 | 10 | 6 | 5 | 10 | 8.3 | CAD | 请求报价 |
●数量未满1包的订单,会另外收取手续费。详情请垂询散装零售服务。
材质、表面处理
| SNSLG-PC | |
|---|---|
| 主体 | SUS316L 特殊表面处理 |
用途
省空间,轻量化FPD制造装置/半导体制造装置/设备·装置构造体/一般工业机械/医疗机械/食品机械
特点
- 高强度的不锈钢制内六角圆柱头螺栓。
- 拉伸强度1000N/mm2,0.2%承压力800N/mm2
- 和一般的不锈钢制内六角圆柱头螺栓相比,承压力约为1.8倍。通过减小螺纹直径及削减个数,实现省空间化,轻量化。
- SUS316L制。耐腐蚀性优良。
- 无磁性。
- 通过特殊表面处理对表面进行了改质。漏气量极小。最适合在中等真空环境下使用。
- 已完成无尘洗净,无尘包装。⇒无尘洗净、无尘包装服务
机械性质
| 型号・强度等级 | 特性 | ||
|---|---|---|---|
| 拉伸强度(N/mm2) | 0.2%承压力(N/mm2) | 伸长率(mm) | |
| SNSLG-PC *1 | 1000 | 800 | 0.3d |
| A2-70・A4-70*2 | 700 | 450 | 0.4d |
| A2-50・A4-50*2 | 500 | 210 | 0.6d |
*1: 为公司内部规格值。使用每个生产批次的测试件进行确认。
*2: 为JIS B 1054 - 1:2013(ISO 3506 - 1:2009)“耐腐蚀不锈钢制连接用零件的机械性质-第1部:螺栓,小螺钉及螺柱”的规格值。
表中数值仅供参考,并非保证值。
处理前的材料的值。
磁导率的比较
| 型号・材质 | 磁导率 |
|---|---|
| SNSLG-PCSUS316L | 1.008 |
| SNSLSUS316L | 1.006 |
| SUSXM7 | 1.4 |
表中数值仅供参考,并非保证值。
处理前的材料的值。








