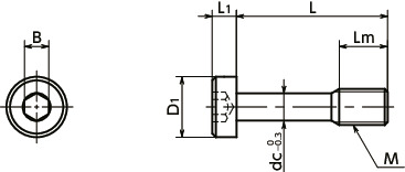
单位 : mm
| 型号 | M(粗牙) 螺纹公称直径 |
螺距 | L | Lm | D1 | L1 | B | dc | 质量 (g) |
CAD下载 | 请求报价 |
|---|---|---|---|---|---|---|---|---|---|---|---|
| SSC-SLHL-M5-16 | M5 | 0.8 | 16 | 6 | 8.5 | 3.5 | 3 | 3.9 | 2.8 | CAD | 请求报价 |
特点
- 防止螺丝的脱落、丢失。用于固定频繁安装、拆卸的保护盖及检查盖。
- 适用于对应CE标志。⇒请使用NBK的防脱落螺钉系列来对应CE标志
- SUS316L制内六角短头螺栓。
- 可节省设备与装置的空间或用于上部空间有限的部位。
- 与SUS304相比,SUS316L具有耐氢脆性、耐氟气、耐氯气、耐热性优良的特点。而且,对于化学药品和海洋性环境,具有比SUS304更优越的耐腐蚀性。
- SUS316L为非磁性材料。
- 为了与SSCLS区别,对SSC-SLHL进行了如下加工:

材质、表面处理
| SSC-SLHL | |
|---|---|
| 主体 | SUS316L |
| 强度等级 | A4-70 |
相关服务
用途
固定保护盖、检查盖对应CE标志
机床/食品机械/电气、电子设备
使用注意事项
- 请将盖子侧的螺孔小径设定在dc尺寸以上。
- 请将盖子厚度设定在0.8mm以上。
安装示例
请在护罩上加工螺纹孔,将SSC-SLHL的螺纹部穿过。由于SSC-SLHL的螺纹部卡在盖子的螺孔上,即使从框架上卸下螺丝,SSC-SLHL也不会从盖子上脱落。



