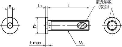
尺寸・CAD
单位 : mm
| 型号 | M(粗牙) 螺纹公称直径 |
螺距 | L | D1 | L1 | B | t | 最大紧固 扭矩 *1(N・m) |
每包数量 | 质量 (g) |
CAD下载 | 请求报价 |
|---|---|---|---|---|---|---|---|---|---|---|---|---|
| SSHL-M3-6-ALK | M3 | 0.5 | 6 | 6 | 1.3 | 1.5 | 2 | 1 | 10 | 0.05 | CAD | 请求报价 |
| SSHL-M3-8-ALK | M3 | 0.5 | 8 | 6 | 1.3 | 1.5 | 2 | 1 | 10 | 0.06 | CAD | 请求报价 |
| SSHL-M3-10-ALK | M3 | 0.5 | 10 | 6 | 1.3 | 1.5 | 2 | 1 | 10 | 0.07 | CAD | 请求报价 |
| SSHL-M4-6-ALK | M4 | 0.7 | 6 | 8 | 1.5 | 2 | 2.5 | 2 | 10 | 0.09 | CAD | 请求报价 |
| SSHL-M4-8-ALK | M4 | 0.7 | 8 | 8 | 1.5 | 2 | 2.5 | 2 | 10 | 0.1 | CAD | 请求报价 |
| SSHL-M4-10-ALK | M4 | 0.7 | 10 | 8 | 1.5 | 2 | 2.5 | 2 | 10 | 0.12 | CAD | 请求报价 |
| SSHL-M5-8-ALK | M5 | 0.8 | 8 | 9 | 1.5 | 3 | 3 | 5 | 10 | 0.1 | CAD | 请求报价 |
| SSHL-M5-10-ALK | M5 | 0.8 | 10 | 9 | 1.5 | 3 | 3 | 5 | 10 | 0.12 | CAD | 请求报价 |
| SSHL-M5-12-ALK | M5 | 0.8 | 12 | 9 | 1.5 | 3 | 3 | 5 | 10 | 0.15 | CAD | 请求报价 |
*1: 表中数值仅供参考,并非保证值。
●数量未满1包的订单,会另外收取手续费。详情请垂询散装零售服务。
相关服务
材质、表面处理
| SSHL-ALK | |
|---|---|
| 主体 | SUS316L |
| 尼龙熔敷 | 尼龙11 |
| 强度等级 | A4-70 |
请勿超出最大紧固扭矩。
用途
设备、装置的省空间化防止螺丝回转、脱落
特点
- 带尼龙熔敷的SUS316L制内六角极短头螺栓。
- 头部高度均在1.5mm以下。可节省设备与装置的空间或用于上部空间有限的部位。
- SUS316L制。与SUS304相比,具有耐氢脆性、耐氟气、耐氯气、耐热性优良的特点。而且,对于化学药品和海洋性环境,具有比SUS304更优越的耐腐蚀性。
- SUS316L为非磁性材料。
- 通过螺丝部熔敷的尼龙的摩擦阻力来抑制螺丝回转。
- 由于可抑制回转,即使已失去连接力,仍可以防止螺丝脱落。
- 尼龙熔敷的耐热温度为120℃。
- 为了区别SSHS-ALK,SSHL-ALK在螺丝的前端实施了凹端加工。









