• 特殊螺丝
  • 省空间

SLHS-M2-6-UCL

内六角短头螺栓(SUSXM7 / 已完成无尘洗净、无尘包装)

Socket Head Cap Screws with Low Profile - SUSXM7 - Cleanroom Washed & Packaged

  • 空间
  • 无尘

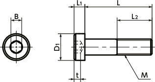
形状図

SLHS-UCL内六角短头螺栓(SUSXM7 / 已完成无尘洗净、无尘包装)寸法図

单位 : mm

型号 M(粗牙)
螺纹公称直径
螺距 L D1 L1 B t L2 每包数量 质量
(g)
CAD下载 请求报价
SLHS-M2-6-UCL M2 0.4 6 3.8 1.3 1.3 0.7 全螺纹 10 0.15 CAD 请求报价

没有符合上述条件的产品。

对不起,没有符合您所填内容的产品。
请变更输入值,再次搜索。

锅屋百迪公司也可根据客户的要求进行产品的客制化。
欢迎利用咨询表格向我们咨询。

锅屋百迪公司
客户中心

有关客制化等产品方面的咨询,请由此咨询。

由此咨询

●数量未满1包的订单,会另外收取手续费。详情请垂询散装零售服务。


相关服务

材质、表面处理

SLHS-UCL
主体 SUSXM7(相当于SUS304)
USC洗净
强度等级 A2-50

用途

设备,装置的省空间化
FPD制造装置/半导体制造装置/医疗机械/食品机械

特点

  • SUSXM7制内六角短头螺栓。
  • 可节省设备与装置的空间或用于上部空间有限的部位。
  • 已完成无尘洗净(超声波洗净),无尘包装。⇒无尘洗净、无尘包装服务
  • 适用于组装到FPD制造装置,半导体生产装置,医疗机械,食品机械中的零部件或在无尘室使用的零部件。
  • 符合DIN 7984标准。

型号列表

点击查看其它SLHS-M2-UCL

点击查看其它SLHS-UCL