尺寸・CAD
单位 : mm
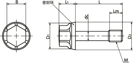
| 型号 | M(粗牙) 螺纹公称直径 |
螺距 | L | Lm | D1 | D2 | L1 | B | dc | 适用密封环 | 质量 (g) |
CAD下载 | 请求报价 |
|---|---|---|---|---|---|---|---|---|---|---|---|---|---|
| SFHL-M5-20-LH-SC-HP-HD-E | M5 | 0.8 | 20 | 6 | 11 | 11.8 | 7 | 8 | 4 | FSRN-11-7-2-HD-E | 5 | CAD | 请求报价 |
| SFHL-M5-25-LH-SC-HP-HD-E | M5 | 0.8 | 25 | 6 | 11 | 11.8 | 7 | 8 | 4 | FSRN-11-7-2-HD-E | 6 | CAD | 请求报价 |
| SFHL-M6-25-LH-SC-HP-HD-E | M6 | 1 | 25 | 8 | 13 | 13.8 | 7.5 | 10 | 4.8 | FSRN-13-9-2-HD-E | 9 | CAD | 请求报价 |
| SFHL-M6-30-LH-SC-HP-HD-E | M6 | 1 | 30 | 8 | 13 | 13.8 | 7.5 | 10 | 4.8 | FSRN-13-9-2-HD-E | 10 | CAD | 请求报价 |
| SFHL-M8-30-LH-SC-HP-HD-E | M8 | 1.25 | 30 | 10 | 16 | 16.8 | 8.5 | 13 | 6.5 | FSRN-16-12-2-HD-E | 18 | CAD | 请求报价 |
| SFHL-M8-40-LH-SC-HP-HD-E | M8 | 1.25 | 40 | 10 | 16 | 16.8 | 8.5 | 13 | 6.5 | FSRN-16-12-2-HD-E | 21 | CAD | 请求报价 |
| SFHL-M10-40-LH-SC-HP-HD-E | M10 | 1.5 | 40 | 12 | 19 | 19.8 | 9.5 | 16 | 8.2 | FSRN-19-15-2-HD-E | 34 | CAD | 请求报价 |
| SFHL-M10-50-LH-SC-HP-HD-E | M10 | 1.5 | 50 | 12 | 19 | 19.8 | 9.5 | 16 | 8.2 | FSRN-19-15-2-HD-E | 39 | CAD | 请求报价 |
材质、表面处理
| SFHL-LH-SC-HP-HD-E | |
|---|---|
| 主体 | SUS316L 研磨 |
| 密封环 | EPDM(浅蓝色) 肖氏硬度A85±5 |
用途
食品机械/食品生产线/医药品机械/CE标志对应特点
- 卫生型设计的短头六角螺栓。适合于要求进行卫生管理的食品机械、医药品机械等用途。
- 头部经过研磨表面处理。
- 防脱落型。用于固定频繁安装、拆卸的保护盖及检查盖。
- 适用于对应CE标志。⇒防脱落系列
- 有关卫生型设计,请参阅“卫生型家族”。
- 安装面的间隙使用密封环FSRN-HD-E密封。可防止异物或液体进入。FSRN-HD-E
- 密封环使用了容易与食品区分的浅蓝色。此外,还使用了符合美国食品药品监督管理局(FDA)标准的材料。
- 六角头部的表面处理小于Ra0.8μm。清扫性优良。
- 主体为耐腐蚀性优异的SUS316L制。
- 已取得EHEDG(欧洲卫生工程・设计集团)制定的规范的认证。
- 可使用温度:-40℃~120℃
使用注意事项
- 请将盖子侧的螺孔小径设定在dc尺寸以上。
- 请将盖子厚度设定在0.8mm以上。
安装示例
请在盖子上加工螺孔,让SFHL-LH-SC-HP-HD-E的螺纹部贯穿。由于SFHL-LH-SC-HP-HD-E的螺纹部卡在盖子的螺孔上,即使从框架上卸下螺丝,SFHL-LH-SC-HP-HD-E也不会从盖子上脱落。










