尺寸・CAD
单位 : mm
| 型号 | M(粗牙) 螺纹公称直径 |
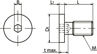
螺距 | L | D1 | L1 | B | t | 最大紧固 扭矩*1(N・m) |
拉伸断裂载荷(N) | 每包数量 | 质量 (g) |
CAD下载 | 请求报价 |
|---|---|---|---|---|---|---|---|---|---|---|---|---|---|
| SSHS-M3-4-UC | M3 | 0.5 | 4 | 6 | 1.3 | 1.5 | 2 | 0.39 | 1300 | 10 | 3.6 | CAD | 请求报价 |
| SSHS-M3-5-UC | M3 | 0.5 | 5 | 6 | 1.3 | 1.5 | 2 | 0.39 | 1300 | 10 | 4 | CAD | 请求报价 |
| SSHS-M3-6-UC | M3 | 0.5 | 6 | 6 | 1.3 | 1.5 | 2 | 0.39 | 1300 | 10 | 4.4 | CAD | 请求报价 |
| SSHS-M4-5-UC | M4 | 0.7 | 5 | 8 | 1.5 | 2 | 2.5 | 0.93 | 1420 | 10 | 8.3 | CAD | 请求报价 |
| SSHS-M4-6-UC | M4 | 0.7 | 6 | 8 | 1.5 | 2 | 2.5 | 0.93 | 1420 | 10 | 8.9 | CAD | 请求报价 |
| SSHS-M4-8-UC | M4 | 0.7 | 8 | 8 | 1.5 | 2 | 2.5 | 0.93 | 1420 | 10 | 10 | CAD | 请求报价 |
| SSHS-M5-6-UC | M5 | 0.8 | 6 | 9 | 1.5 | 3 | 3 | 1.8 | 3000 | 10 | 7.3 | CAD | 请求报价 |
| SSHS-M5-8-UC | M5 | 0.8 | 8 | 9 | 1.5 | 3 | 3 | 1.8 | 3000 | 10 | 9.8 | CAD | 请求报价 |
| SSHS-M5-10-UC | M5 | 0.8 | 10 | 9 | 1.5 | 3 | 3 | 1.8 | 3000 | 10 | 12 | CAD | 请求报价 |
| SSHS-M6-6-UC | M6 | 1 | 6 | 10 | 1.5 | 3 | 4 | 4.6 | 7770 | 10 | 12 | CAD | 请求报价 |
| SSHS-M6-8-UC | M6 | 1 | 8 | 10 | 1.5 | 3 | 4 | 4.6 | 7770 | 10 | 16 | CAD | 请求报价 |
| SSHS-M6-10-UC | M6 | 1 | 10 | 10 | 1.5 | 3 | 4 | 4.6 | 7770 | 10 | 19 | CAD | 请求报价 |
*1: 表中数值仅供参考,并非保证值。
●数量未满1包的订单,会另外收取手续费。详情请垂询散装零售服务。
相关服务
材质、表面处理
| SSHS-UC | |
|---|---|
| 主体 | SUSXM7(相当于SUS304) |
| 强度等级 | A2-50 |
请勿超出最大紧固扭矩。
用途
设备、装置的省空间化特点
- 本产品为不锈钢制薄板固定用内六角极短头螺栓。
- SSHS-UC螺丝头下部分实施了避让加工,适用于固定薄板。可固定0.1mm以上的薄板。

- 头部高度均在1.5mm以下。可节省设备与装置的空间或用于上部空间有限的部位。
- 也生产尺寸、材质、头部形状等特殊规格的薄板固定用螺栓。请垂询客户中心。









