尺寸・CAD
单位 : mm
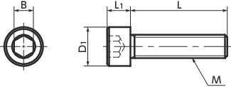
| 型号 | M(粗牙) 螺纹公称直径 |
螺距 | L | D1 | L1 | B | 每包数量 | 质量 (g) |
CAD下载 | 请求报价 |
|---|---|---|---|---|---|---|---|---|---|---|
| SNSLG-M3-6 | M3 | 0.5 | 6 | 5.5 | 3 | 2.5 | 10 | 0.71 | CAD | 请求报价 |
| SNSLG-M3-8 | M3 | 0.5 | 8 | 5.5 | 3 | 2.5 | 10 | 0.88 | CAD | 请求报价 |
| SNSLG-M3-10 | M3 | 0.5 | 10 | 5.5 | 3 | 2.5 | 10 | 0.96 | CAD | 请求报价 |
| SNSLG-M3-12 | M3 | 0.5 | 12 | 5.5 | 3 | 2.5 | 10 | 1 | CAD | 请求报价 |
| SNSLG-M3-15 | M3 | 0.5 | 15 | 5.5 | 3 | 2.5 | 10 | 1 | CAD | 请求报价 |
| SNSLG-M3-20 | M3 | 0.5 | 20 | 5.5 | 3 | 2.5 | 10 | 1.4 | CAD | 请求报价 |
| SNSLG-M3-25 | M3 | 0.5 | 25 | 5.5 | 3 | 2.5 | 10 | 1.6 | CAD | 请求报价 |
| SNSLG-M4-8 | M4 | 0.7 | 8 | 7 | 4 | 3 | 10 | 1.6 | CAD | 请求报价 |
| SNSLG-M4-10 | M4 | 0.7 | 10 | 7 | 4 | 3 | 10 | 1.8 | CAD | 请求报价 |
| SNSLG-M4-12 | M4 | 0.7 | 12 | 7 | 4 | 3 | 10 | 2 | CAD | 请求报价 |
| SNSLG-M4-15 | M4 | 0.7 | 15 | 7 | 4 | 3 | 10 | 2.3 | CAD | 请求报价 |
| SNSLG-M4-20 | M4 | 0.7 | 20 | 7 | 4 | 3 | 10 | 2.7 | CAD | 请求报价 |
| SNSLG-M4-25 | M4 | 0.7 | 25 | 7 | 4 | 3 | 10 | 3.2 | CAD | 请求报价 |
| SNSLG-M4-30 | M4 | 0.7 | 30 | 7 | 4 | 3 | 10 | 3.7 | CAD | 请求报价 |
| SNSLG-M4-35 | M4 | 0.7 | 35 | 7 | 4 | 3 | 10 | 4.2 | CAD | 请求报价 |
| SNSLG-M4-40 | M4 | 0.7 | 40 | 7 | 4 | 3 | 10 | 4.7 | CAD | 请求报价 |
| SNSLG-M4-45 | M4 | 0.7 | 45 | 7 | 4 | 3 | 10 | 5.2 | CAD | 请求报价 |
| SNSLG-M4-50 | M4 | 0.7 | 50 | 7 | 4 | 3 | 10 | 5.7 | CAD | 请求报价 |
| SNSLG-M5-10 | M5 | 0.8 | 10 | 8.5 | 5 | 4 | 10 | 2.7 | CAD | 请求报价 |
| SNSLG-M5-12 | M5 | 0.8 | 12 | 8.5 | 5 | 4 | 10 | 3 | CAD | 请求报价 |
| SNSLG-M5-15 | M5 | 0.8 | 15 | 8.5 | 5 | 4 | 10 | 3.5 | CAD | 请求报价 |
| SNSLG-M5-20 | M5 | 0.8 | 20 | 8.5 | 5 | 4 | 10 | 4 | CAD | 请求报价 |
| SNSLG-M5-25 | M5 | 0.8 | 25 | 8.5 | 5 | 4 | 10 | 4.8 | CAD | 请求报价 |
| SNSLG-M5-30 | M5 | 0.8 | 30 | 8.5 | 5 | 4 | 10 | 5.6 | CAD | 请求报价 |
| SNSLG-M5-35 | M5 | 0.8 | 35 | 8.5 | 5 | 4 | 10 | 6.4 | CAD | 请求报价 |
| SNSLG-M5-40 | M5 | 0.8 | 40 | 8.5 | 5 | 4 | 10 | 7.2 | CAD | 请求报价 |
| SNSLG-M5-45 | M5 | 0.8 | 45 | 8.5 | 5 | 4 | 10 | 7.6 | CAD | 请求报价 |
| SNSLG-M5-50 | M5 | 0.8 | 50 | 8.5 | 5 | 4 | 10 | 8.4 | CAD | 请求报价 |
| SNSLG-M6-12 | M6 | 1 | 12 | 10 | 6 | 5 | 10 | 5.1 | CAD | 请求报价 |
| SNSLG-M6-15 | M6 | 1 | 15 | 10 | 6 | 5 | 10 | 5.8 | CAD | 请求报价 |
| SNSLG-M6-20 | M6 | 1 | 20 | 10 | 6 | 5 | 10 | 6.5 | CAD | 请求报价 |
| SNSLG-M6-25 | M6 | 1 | 25 | 10 | 6 | 5 | 10 | 7.6 | CAD | 请求报价 |
| SNSLG-M6-30 | M6 | 1 | 30 | 10 | 6 | 5 | 10 | 8.3 | CAD | 请求报价 |
| SNSLG-M6-35 | M6 | 1 | 35 | 10 | 6 | 5 | 10 | 9 | CAD | 请求报价 |
| SNSLG-M6-40 | M6 | 1 | 40 | 10 | 6 | 5 | 10 | 9.7 | CAD | 请求报价 |
| SNSLG-M6-45 | M6 | 1 | 45 | 10 | 6 | 5 | 10 | 10.4 | CAD | 请求报价 |
| SNSLG-M6-50 | M6 | 1 | 50 | 10 | 6 | 5 | 10 | 11.1 | CAD | 请求报价 |
| SNSLG-M8-15 | M8 | 1.25 | 15 | 13 | 8 | 6 | 5 | 10 | CAD | 请求报价 |
| SNSLG-M8-20 | M8 | 1.25 | 20 | 13 | 8 | 6 | 5 | 13 | CAD | 请求报价 |
| SNSLG-M8-25 | M8 | 1.25 | 25 | 13 | 8 | 6 | 5 | 15 | CAD | 请求报价 |
| SNSLG-M8-30 | M8 | 1.25 | 30 | 13 | 8 | 6 | 5 | 17 | CAD | 请求报价 |
| SNSLG-M8-40 | M8 | 1.25 | 40 | 13 | 8 | 6 | 5 | 21 | CAD | 请求报价 |
| SNSLG-M8-50 | M8 | 1.25 | 50 | 13 | 8 | 6 | 5 | 25 | CAD | 请求报价 |
| SNSLG-M10-20 | M10 | 1.5 | 20 | 16 | 10 | 8 | 1 | 15 | CAD | 请求报价 |
| SNSLG-M10-25 | M10 | 1.5 | 25 | 16 | 10 | 8 | 1 | 17 | CAD | 请求报价 |
| SNSLG-M10-30 | M10 | 1.5 | 30 | 16 | 10 | 8 | 1 | 21 | CAD | 请求报价 |
| SNSLG-M10-40 | M10 | 1.5 | 40 | 16 | 10 | 8 | 1 | 25 | CAD | 请求报价 |
| SNSLG-M10-50 | M10 | 1.5 | 50 | 16 | 10 | 8 | 1 | 28 | CAD | 请求报价 |
●数量未满1包的订单,会另外收取手续费。详情请垂询散装零售服务。
相关服务
材质、表面处理
| SNSLG | |
|---|---|
| 主体 | SUS316L |
用途
省空间、轻量化FPD制造装置/半导体生产设备/设备·装置构造体/海洋设备/一般工业机械
特点
- 高强度的不锈钢制内六角圆柱头螺栓。
- 拉伸强度1000N/mm2、0.2%承压力800N/mm2
- 和一般的不锈钢制内六角圆柱头螺栓相比,承压力约为1.8倍。通过减小螺纹直径及削减个数,实现省空间化、轻量化。
- SUS316L制。耐腐蚀性优良。
- 无磁性。
- 符合JIS B 1176、ISO 4762、DIN 912标准。形状、尺寸请参考“技术资料(JIS B 1176、ISO 4762)”。
机械性质
| 型号・强度等级 | 特性 | ||
|---|---|---|---|
| 拉伸强度(N/mm2) | 0.2%承压力(N/mm2) | 伸长率(mm) | |
| SNSLG *1 | 1000 | 800 | 0.3d |
| A2-70・A4-70*2 | 700 | 450 | 0.4d |
| A2-50・A4-50*2 | 500 | 210 | 0.6d |
*1: 为公司内部规格值。使用每个生产批次的测试件进行确认。
*2: 为JIS B 1054 - 1:2013(ISO 3506 - 1:2009)“耐腐蚀不锈钢制连接用零件的机械性质-第1部:螺栓、小螺钉及螺柱”的规格值。表中数值仅供参考,并非保证值。
磁导率的比较
| 型号・材质 | 磁导率 |
|---|---|
| SNSLGSUS316L | 1.008 |
| SNSLSUS316L | 1.006 |
| SUSXM7 | 1.4 |
表中数值仅供参考,并非保证值。









