尺寸・CAD
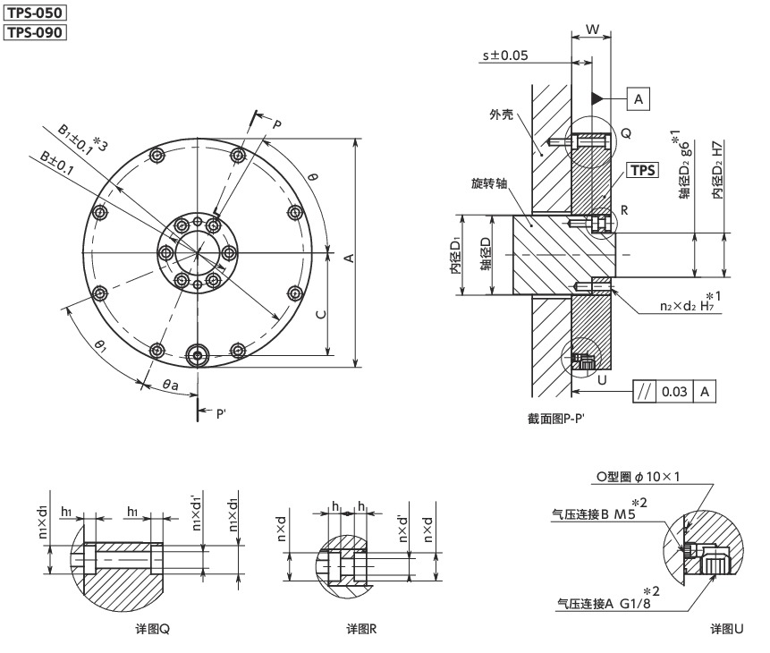
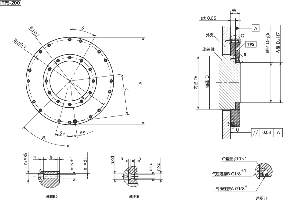
| 型号 | 适用的旋转轴径 | 保持扭矩 (N・m) | A | B | B1 | C | θ (°) | θ1(°) | θ2(°) | θa(°) | D | D1 | D2 | W | s | n | d | d' | h | n1 | d1 | d1' | h1 | n2 | d2 | 质量 (kg) | CAD下载 |
|---|---|---|---|---|---|---|---|---|---|---|---|---|---|---|---|---|---|---|---|---|---|---|---|---|---|---|---|
| TPS-050 | 50 | 60 | 145 | 40 | 134 | 65 | 60 | 45 | - | 22.5 | 50 | 51 | 28 | 25 | 13 | 6 | 9 | 5.3 | 3.8 | 8 | 9 | 5.3 | 3.8 | 2 | 5 | 2.35 | - |
| TPS-090 | 90 | 130 | 185 | 80 | 174 | 85 | 45 | 30 | - | 15 | 90 | 91 | 70 | 28 | 14 | 8 | 8.9 | 5.3 | 3.8 | 12 | 8.9 | 5.3 | 3.8 | 4 | 5 | 3.8 | - |
| TPS-200 | 200 | 500 | 328 | 176 | 310 | 153 | 30 | 45 | 15 | 7.5 | 200 | 201 | 150 | 35 | 19 | 12 | 10.4 | 6.4 | 4.6 | 16 | 10.4 | 6.4 | 4.6 | - | - | 12.9 | - |
部分产品停产及替代品说明
“LinearClamper-Zee® ” 的部分型号即将停产。同时,本公司将会发售替代品,现将情况说明如下。
请参看详情
https://www.nbk1560-chn.com.cn/news/2025/20251111_TPS/









