单位 : mm
*1: 在使用时请一定留出C尺寸。
| 型号 | 最大轴孔径 (mm) |
额定扭矩*1 (N・m) |
最大扭矩*1 (N・m) |
最高转速 (min-1) |
惯性力矩*2 (Kg・m2) |
静态扭转刚性 (N・m/rad) |
容许偏心 (mm) |
容许偏角 (°) |
容许轴向偏差 (mm) |
弹性间隔体 硬度 |
质量*2 (g) |
|---|---|---|---|---|---|---|---|---|---|---|---|
| MJC-95K-ERD-30-48 | 55 | 450 | 900 | 6000 | 2.3×10-3 | 8900 | 0.1 | 1 | 0~+ 2.0 | A98 | 1500 |
*1: 无需根据负荷变化修正额定扭矩和最大扭矩。但环境温度高于30℃时,请依据表中的温度补正系数调整额定扭矩及最大扭矩。MJC-K的可温度为-20℃~60℃。
*2: 最大轴孔径时的值。
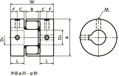
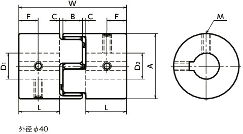
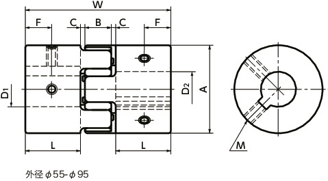
轴孔部详图

单位 : mm
| 标准公制轴孔径 D |
键槽 | 键 | |||
|---|---|---|---|---|---|
| b | t | 公称尺寸 b x h |
|||
| 基准 尺寸 |
容许偏差 (JS9) |
基准 尺寸 |
容许偏差 | ||
| 10・11・12 | 4 | ±0.0150 | 1.8 | 0~+0.1 | 4×4 |
| 14・15・16 | 5 | ±0.0150 | 2.3 | 0~+0.1 | 5×5 |
| 18・19・20・22 | 6 | ±0.0150 | 2.8 | 0~+0.1 | 6×6 |
| 24・25・28・30 | 8 | ±0.0180 | 3.3 | 0~+0.2 | 8×7 |
| 32・35・38 | 10 | ±0.0180 | 3.3 | 0~+0.2 | 10×8 |
| 40・42 | 12 | ±0.0215 | 3.3 | 0~+0.2 | 12×8 |
| 45・48・50 | 14 | ±0.0215 | 3.8 | 0~+0.2 | 14×9 |
| 55 | 16 | ±0.0215 | 4.3 | 0~+0.2 | 16×10 |

单位 : Inch
| 标准英制轴孔径 D |
键槽 | |||
|---|---|---|---|---|
| Wk | T | |||
| 基准 尺寸 |
容许偏差 | 基准 尺寸 |
容许偏差 | |
| 1/2 | 1/8 | 0~+0.002 | 0.560 | 0~+0.01 |
| 9/16 | 1/8 | 0~+0.002 | 0.623 | 0~+0.01 |
| 5/8 | 3/16 | 0~+0.002 | 0.709 | 0~+0.01 |
| 11/16 | 3/16 | 0~+0.002 | 0.773 | 0~+0.01 |
| 3/4 | 3/16 | 0~+0.002 | 0.837 | 0~+0.01 |
| 13/16 | 3/16 | 0~+0.002 | 0.900 | 0~+0.01 |
| 7/8 | 3/16 | 0~+0.002 | 0.964 | 0~+0.01 |
| 15/16 | 1/4 | 0~+0.002 | 1.051 | 0~+0.01 |
| 1 | 1/4 | 0~+0.002 | 1.114 | 0~+0.01 |
| 1 1//8 | 1/4 | 0~+0.002 | 1.241 | 0~+0.01 |
| 1 1//4 | 1/4 | 0~+0.002 | 1.367 | 0~+0.01 |
| 1 3//8 | 5/16 | 0~+0.002 | 1.518 | 0~+0.01 |
| 1 1//2 | 3/8 | 0~+0.002 | 1.669 | 0~+0.01 |
| 1 5//8 | 3/8 | 0~+0.002 | 1.796 | 0~+0.01 |
| 1 3//4 | 3/8 | 0~+0.002 | 1.922 | 0~+0.01 |
特点
- 适用马达
| 紧固型 | 简易装拆型 | |
|---|---|---|
| 伺服马达 | ◎ | ○ |
| 步进马达 | ◎ | ◎ |
| 通用马达 | ◎ | ◎ |
- 特性
| 紧固型 | 简易装拆型 | |
|---|---|---|
| 零背隙 | ○ | - |
| 高扭矩 | ◎ | ◎ |
| 容许误差调整 | ○ | ○ |
| 减振 | ◎ | ◎ |
| 电绝缘性 | ◎ | ◎ |
| 组装 | ○ | ◎ |
| 可使用温度 | -20℃~60℃ | -20℃~60℃ |
- 梅花型挠性联轴器。
- 紧固型时,可在低扭矩状态下实现零背隙扭矩传递。
- 简易装拆型是指可简单进行轴套的安装、拆卸。
- 优异的弹性效果,可吸收振动、偏心及偏角。
- 具有电绝缘性。
- 弹性间隔体的硬度有4种。请根据使用条件选择扭矩、误差调整量等。
- 弹性间隔体的种类

材质、表面处理
| MJC-K-ERD | |
|---|---|
| 轴套 | A2017 阳极氧化处理*1 |
| 弹性间隔体 | 聚氨酯 |
| 内六角止动螺丝 | SCM435 四氧化三铁保护膜(黑) |
| 内六角螺栓 | SCM435 四氧化三铁保护膜(黑) |
*1: 轴孔及键槽的表面处理可能会因工序的关系而存在有表面处理和无表面处理的零件,但不存在联轴器性能方面的问题。
构造
定位螺丝固定型MJC-BLMJC-WHMJC-RDMJC-GRMJC-EBLMJC-EWHMJC-ERDMJC-EGR
MJC-**-**紧固型MJC-**-E**简易装拆型

夹紧型MJC-CS-BLMJC-CS-WHMJC-CS-RDMJC-CS-GRMJC-CS-EBLMJC-CS-EWHMJC-CS-ERDMJC-CS-EGR
MJC-**CS-**紧固型MJC-**CS-E**简易装拆型

定位螺丝固定型+键槽型MJC-K-BLMJC-K-WHMJC-K-RDMJC-K-GRMJC-K-EBLMJC-K-EWHMJC-K-ERDMJC-K-EGR
MJC-**K-**紧固型MJC-**K-E**简易装拆型

夹紧型+键槽型MJC-CSK-BLMJC-CSK-WHMJC-CSK-RDMJC-CSK-GRMJC-CSK-EWHMJC-CSK-ERDMJC-CSK-EGR
MJC-**CSK-**紧固型MJC-**CSK-E**简易装拆型

弹性间隔体

选型
根据轴径、额定扭矩选型
轴径和额定扭矩交差区域为选型规格。



选型示例
选型条件为轴径φ15、负荷扭矩6N·m时,MJC-**-RDMJC-**-ERD的选型规格为MJC-30-RDMJC-30-ERD。根据伺服马达的额定输出选型
| 额定输出 (W) |
伺服马达规格 | 选型外径规格 | |||||
|---|---|---|---|---|---|---|---|
| 马达轴径 (mm) |
额定扭矩 (N・m) |
瞬时最大扭矩 (N・m) |
MJC-**-BL MJC-**-EBL |
MJC-**-WH MJC-**-EWH |
MJC-**-RD MJC-**-ERD |
MJC-**-GR MJC-**-EGR |
|
| 10 | 5-6 | 0.032 | 0.096 | 14 | 14 | 14 | 14 |
| 20 | 5-6 | 0.064 | 0.19 | 14 | 14 | 14 | 14 |
| 30 | 5-7 | 0.096 | 0.29 | 14 | 14 | 14 | 14 |
| 50 | 6-8 | 0.16 | 0.48 | 20 | 20 | 20 | 20 |
| 100 | 8 | 0.32 | 0.95 | 20 | 20 | 20 | 20 |
| 200 | 9-14 | 0.64 | 1.9 | 30 | 30 | 30 | 30 |
| 400 | 14 | 1.3 | 3.8 | 30 | 30 | 30 | 30 |
| 750 | 16-19 | 2.4 | 7.2 | - | 40 | 40 | 40 |
马达规格为常规值。详情请参阅各马达生产厂家的产品目录。不使用减速机等情况下的尺寸。
选型示例
马达规格为轴径φ14、额定扭矩0.64N·m时,MJC-**-BL的选型规格如下。定位螺丝固定----MJC-30-BL
夹紧型----MJC-30CS-BL
定位螺丝固定型+键槽型----MJC-30K-BL
夹紧型+键槽型----MJC-30CSK-BL
环境温度、温度修正系数
| 环境温度 | 温度修正系数 |
|---|---|
| -20℃~30℃ | 1.00 |
| 30℃~40℃ | 0.80 |
| 40℃~60℃ | 0.70 |
弹性间隔体详图

紧固型
压入有轴套与弹性间隔体,可在零背隙*1的情况下使用。可通过弹性间隔体的减振性提高伺服马达的增益,实现超过膜片型联轴器的高响应运行。*1: 有关在零背隙的情况下使用时的扭矩,请参照尺寸表。
简易拆装型
可顺利地组装、拆分轴套与弹性间隔体。可减少装置的组装、维护时间。可预先将轴套安装到轴上,即便是不易看见联轴器的部位,也可轻松组装。简易拆装型的用途
搬运装置/搅拌机/鼓风机/泵/点胶机
紧固型的用途
XY轴滑台/分度台/机床/注塑成型机
温度引起的静态扭转刚性数值的变化




使用温度范围内的扭转刚性变化情况如图表所示。
使用时,请注意响应性的下降。
偏心反作用力









