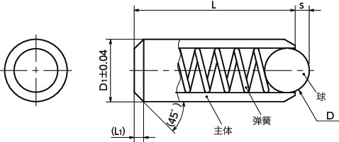
单位 : mm
| 型号 | s | L | D | D1 | L1 | 适用的球型按钮 | 载荷(N) min./max. |
质量 (g) |
类型 | CAD下载 | 请求报价 |
|---|---|---|---|---|---|---|---|---|---|---|---|
| PPSS-2 | 0.3 | 3.5 | 1 | 2 | 0.15 | - | 0.8/1.5 | 0.1 | 轻载 | CAD | 请求报价 |
材质、表面处理
| PPSS | PPSS-S | |
|---|---|---|
| 主体 | SUS303 | SUS303 |
| 球 | SUS420C,淬火 | SUS420C,淬火 |
| 弹簧 | SUS631J1 | SUS631J1 |
特点
- 插入型球头柱塞。
- 安装孔的推荐尺寸公差为F8。
- 可根据产品符号载荷类型。
| 产品符号 | 载荷类型 |
|---|---|
| PPSS | 轻载 |
| PPSS-S | 重载 |
使用注意事项
插入型柱塞。如果以压入方式安装,可能会造成损坏。
请根据用途使用粘接剂等进行固定。








