尺寸・CAD
单位 : mm
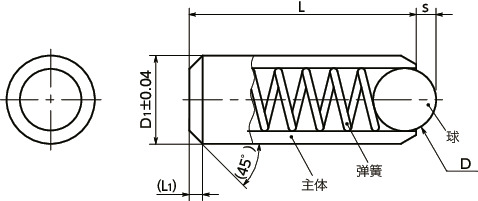
| 型号 | s | L | D | D1 | L1 | 适用的球型按钮 | 载荷(N) min./max. |
质量 (g) |
类型 | CAD下载 | 请求报价 |
|---|---|---|---|---|---|---|---|---|---|---|---|
| PPSS-2 | 0.3 | 3.5 | 1 | 2 | 0.15 | - | 0.8/1.5 | 0.1 | 轻载 | CAD | 请求报价 |
| PPSS-2.5 | 0.4 | 5 | 1.5 | 2.5 | 0.15 | - | 2.8/4.7 | 0.2 | 轻载 | CAD | 请求报价 |
| PPSS-3 | 0.65 | 7 | 2 | 3 | 0.15 | BB-4 | 4.5/7.5 | 0.3 | 轻载 | CAD | 请求报价 |
| PPSS-3.5 | 0.8 | 9 | 2.5 | 3.5 | 0.15 | BB-5 | 6/14.5 | 0.5 | 轻载 | CAD | 请求报价 |
| PPSS-4 | 0.9 | 11 | 3 | 4 | 0.25 | BB-5 | 8/14 | 0.7 | 轻载 | CAD | 请求报价 |
| PPSS-4.5 | 0.95 | 12 | 3.2 | 4.5 | 0.25 | BB-5 | 9.5/16.5 | 0.9 | 轻载 | CAD | 请求报价 |
| PPSS-5 | 1 | 13 | 3.5 | 5 | 0.25 | BB-6 | 11/18 | 1.3 | 轻载 | CAD | 请求报价 |
| PPSS-5.5 | 1.2 | 14 | 4 | 5.5 | 0.3 | BB-8 | 15.5/25 | 1.6 | 轻载 | CAD | 请求报价 |
| PPSS-6 | 1.5 | 15 | 4.5 | 6 | 0.3 | BB-8 | 18/31 | 1.9 | 轻载 | CAD | 请求报价 |
| PPSS-8 | 2 | 18 | 6 | 8 | 0.3 | BB-10 | 24/45 | 6 | 轻载 | CAD | 请求报价 |
| PPSS-10 | 2.5 | 20 | 8 | 10 | 0.5 | BB-12 | 26/49 | 9 | 轻载 | CAD | 请求报价 |
| PPSS-12 | 3.5 | 22 | 10 | 12 | 0.5 | BB-16 | 41/86 | 13 | 轻载 | CAD | 请求报价 |
| PPSS-2-S | 0.3 | 3.5 | 1 | 2 | 0.15 | - | 1.3/2.2 | 0.1 | 重载 | CAD | 请求报价 |
| PPSS-2.5-S | 0.4 | 5 | 1.5 | 2.5 | 0.15 | - | 4.7/7.1 | 0.2 | 重载 | CAD | 请求报价 |
| PPSS-3-S | 0.65 | 7 | 2 | 3 | 0.15 | BB-4 | 7.8/11.6 | 0.3 | 重载 | CAD | 请求报价 |
| PPSS-3.5-S | 0.8 | 9 | 2.5 | 3.5 | 0.15 | BB-5 | 12/18 | 0.5 | 重载 | CAD | 请求报价 |
| PPSS-4-S | 0.9 | 11 | 3 | 4 | 0.25 | BB-5 | 15/22 | 0.8 | 重载 | CAD | 请求报价 |
| PPSS-4.5-S | 0.95 | 12 | 3.2 | 4.5 | 0.25 | BB-5 | 18.7/25.1 | 1 | 重载 | CAD | 请求报价 |
| PPSS-5-S | 1 | 13 | 3.5 | 5 | 0.25 | BB-6 | 19.3/26.6 | 1.5 | 重载 | CAD | 请求报价 |
| PPSS-5.5-S | 1.2 | 14 | 4 | 5.5 | 0.3 | BB-8 | 25.1/39.2 | 2 | 重载 | CAD | 请求报价 |
| PPSS-6-S | 1.5 | 15 | 4.5 | 6 | 0.3 | BB-8 | 36/60.5 | 3 | 重载 | CAD | 请求报价 |
| PPSS-8-S | 2 | 18 | 6 | 8 | 0.3 | BB-10 | 57/103.5 | 6 | 重载 | CAD | 请求报价 |
| PPSS-10-S | 2.5 | 20 | 8 | 10 | 0.5 | BB-12 | 61/110 | 9 | 重载 | CAD | 请求报价 |
| PPSS-12-S | 3.5 | 22 | 10 | 12 | 0.5 | BB-16 | 68/143 | 14 | 重载 | CAD | 请求报价 |
材质、表面处理
| PPSS | PPSS-S | |
|---|---|---|
| 主体 | SUS303 | SUS303 |
| 球 | SUS420C,淬火 | SUS420C,淬火 |
| 弹簧 | SUS631J1 | SUS631J1 |
特点
- 插入型球头柱塞。
- 安装孔的推荐尺寸公差为F8。
- 可根据产品符号载荷类型。
| 产品符号 | 载荷类型 |
|---|---|
| PPSS | 轻载 |
| PPSS-S | 重载 |
使用注意事项
插入型柱塞。如果以压入方式安装,可能会造成损坏。
请根据用途使用粘接剂等进行固定。











