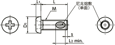
尺寸・CAD
单位 : mm
| 型号 | M(粗牙) 螺纹公称直径 |
螺距 | L | D1 | L1 | s*1 | L2 | 十字槽 序号 |
最大紧固 扭矩 (N・m) |
每包数量 | 质量 (g) |
CAD下载 | 请求报价 |
|---|---|---|---|---|---|---|---|---|---|---|---|---|---|
| SNZ-M1.4-2-TBZ-ALK | M1.4 | 0.3 | 2 | 2 | 0.5 | 0 | 1.1 | 0 | 0.05 | 50 | 0.023 | CAD | 请求报价 |
| SNZ-M1.4-3-TBZ-ALK | M1.4 | 0.3 | 3 | 2 | 0.5 | 0 | 1.1 | 0 | 0.05 | 50 | 0.031 | CAD | 请求报价 |
| SNZ-M1.4-4-TBZ-ALK | M1.4 | 0.3 | 4 | 2 | 0.5 | 0.6 | 1.1 | 0 | 0.05 | 50 | 0.04 | CAD | 请求报价 |
| SNZ-M1.4-5-TBZ-ALK | M1.4 | 0.3 | 5 | 2 | 0.5 | 0.6 | 1.1 | 0 | 0.05 | 50 | 0.048 | CAD | 请求报价 |
| SNZ-M1.4-6-TBZ-ALK | M1.4 | 0.3 | 6 | 2 | 0.5 | 0.6 | 1.1 | 0 | 0.05 | 50 | 0.057 | CAD | 请求报价 |
| SNZ-M1.4-8-TBZ-ALK | M1.4 | 0.3 | 8 | 2 | 0.5 | 0.6 | 1.1 | 0 | 0.05 | 50 | 0.074 | CAD | 请求报价 |
| SNZ-M1.7-2-TBZ-ALK | M1.7 | 0.35 | 2 | 2.5 | 0.5 | 0 | 1.3 | 0 | 0.09 | 50 | 0.037 | CAD | 请求报价 |
| SNZ-M1.7-3-TBZ-ALK | M1.7 | 0.35 | 3 | 2.5 | 0.5 | 0 | 1.3 | 0 | 0.09 | 50 | 0.049 | CAD | 请求报价 |
| SNZ-M1.7-4-TBZ-ALK | M1.7 | 0.35 | 4 | 2.5 | 0.5 | 0.7 | 1.3 | 0 | 0.09 | 50 | 0.062 | CAD | 请求报价 |
| SNZ-M1.7-5-TBZ-ALK | M1.7 | 0.35 | 5 | 2.5 | 0.5 | 0.7 | 1.3 | 0 | 0.09 | 50 | 0.075 | CAD | 请求报价 |
| SNZ-M1.7-6-TBZ-ALK | M1.7 | 0.35 | 6 | 2.5 | 0.5 | 0.7 | 1.3 | 0 | 0.09 | 50 | 0.087 | CAD | 请求报价 |
| SNZ-M1.7-8-TBZ-ALK | M1.7 | 0.35 | 8 | 2.5 | 0.5 | 0.7 | 1.3 | 0 | 0.09 | 50 | 0.11 | CAD | 请求报价 |
| SNZ-M2-2-TBZ-ALK | M2 | 0.4 | 2 | 3 | 0.6 | 0 | 1.6 | 0 | 0.18 | 50 | 0.055 | CAD | 请求报价 |
| SNZ-M2-2.5-TBZ-ALK | M2 | 0.4 | 2.5 | 3 | 0.6 | 0 | 1.6 | 0 | 0.18 | 50 | 0.063 | CAD | 请求报价 |
| SNZ-M2-3-TBZ-ALK | M2 | 0.4 | 3 | 3 | 0.6 | 0 | 1.6 | 0 | 0.18 | 50 | 0.072 | CAD | 请求报价 |
| SNZ-M2-3.5-TBZ-ALK | M2 | 0.4 | 3.5 | 3 | 0.6 | 0 | 1.6 | 0 | 0.18 | 50 | 0.08 | CAD | 请求报价 |
| SNZ-M2-4-TBZ-ALK | M2 | 0.4 | 4 | 3 | 0.6 | 0.8 | 1.6 | 0 | 0.18 | 50 | 0.089 | CAD | 请求报价 |
| SNZ-M2-5-TBZ-ALK | M2 | 0.4 | 5 | 3 | 0.6 | 0.8 | 1.6 | 0 | 0.18 | 50 | 0.1 | CAD | 请求报价 |
| SNZ-M2-6-TBZ-ALK | M2 | 0.4 | 6 | 3 | 0.6 | 0.8 | 1.6 | 0 | 0.18 | 50 | 0.12 | CAD | 请求报价 |
| SNZ-M2-8-TBZ-ALK | M2 | 0.4 | 8 | 3 | 0.6 | 0.8 | 1.6 | 0 | 0.18 | 50 | 0.16 | CAD | 请求报价 |
| SNZ-M2.6-3-TBZ-ALK | M2.6 | 0.45 | 3 | 4 | 0.8 | 0 | 2.1 | 0 | 0.39 | 50 | 0.14 | CAD | 请求报价 |
| SNZ-M2.6-4-TBZ-ALK | M2.6 | 0.45 | 4 | 4 | 0.8 | 0.9 | 2.1 | 0 | 0.39 | 50 | 0.18 | CAD | 请求报价 |
| SNZ-M2.6-5-TBZ-ALK | M2.6 | 0.45 | 5 | 4 | 0.8 | 0.9 | 2.1 | 0 | 0.39 | 50 | 0.21 | CAD | 请求报价 |
| SNZ-M2.6-6-TBZ-ALK | M2.6 | 0.45 | 6 | 4 | 0.8 | 0.9 | 2.1 | 0 | 0.39 | 50 | 0.24 | CAD | 请求报价 |
| SNZ-M2.6-8-TBZ-ALK | M2.6 | 0.45 | 8 | 4 | 0.8 | 0.9 | 2.1 | 0 | 0.39 | 50 | 0.3 | CAD | 请求报价 |
*1: L<4时,s尺寸为0。
●数量未满1包的订单,会另外收取手续费。详情请垂询散装零售服务。
相关服务
材质、表面处理
| SNZ-TBZ-ALK | |
|---|---|
| 主体 | SWCH16A 黑色三价铬酸盐处理 |
| 尼龙熔敷 | 尼龙11 |
用途
仪器、装置的小型化/小型精密仪器/螺丝的防回转、防脱落特点
- M1.4-M2.6。带尼龙熔敷精密仪器用精密螺丝。
- 通过螺丝部熔敷的尼龙的摩擦阻力来抑制螺丝回转。
- 由于可抑制回转,即使已失去连接力,仍可以防止螺丝脱落。
- 尼龙熔敷的耐热温度为120℃。
- 头部高度较低的盘头小螺钉型。适用于上部空间受限的场合。









