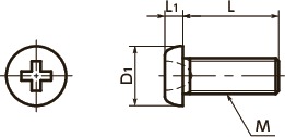
尺寸・CAD
单位 : mm
| 型号 | M(粗牙) 螺纹公称直径 |
螺距 | L | D1 | L1 | 十字槽 序号 |
最大紧固 扭矩 (N・m) |
每包数量 | 质量 (g) |
CAD下载 | 请求报价 |
|---|---|---|---|---|---|---|---|---|---|---|---|
| SNZ-M1.4-2-TBZ | M1.4 | 0.3 | 2 | 2 | 0.5 | - | 0.07 | 50 | 0.022 | CAD | 请求报价 |
| SNZ-M1.4-3-TBZ | M1.4 | 0.3 | 3 | 2 | 0.5 | - | 0.07 | 50 | 0.03 | CAD | 请求报价 |
| SNZ-M1.4-4-TBZ | M1.4 | 0.3 | 4 | 2 | 0.5 | - | 0.07 | 50 | 0.039 | CAD | 请求报价 |
| SNZ-M1.4-5-TBZ | M1.4 | 0.3 | 5 | 2 | 0.5 | - | 0.07 | 50 | 0.047 | CAD | 请求报价 |
| SNZ-M1.4-6-TBZ | M1.4 | 0.3 | 6 | 2 | 0.5 | - | 0.07 | 50 | 0.056 | CAD | 请求报价 |
| SNZ-M1.4-8-TBZ | M1.4 | 0.3 | 8 | 2 | 0.5 | - | 0.07 | 50 | 0.073 | CAD | 请求报价 |
| SNZ-M1.6-2-TBZ | M1.6 | 0.35 | 2 | 2.4 | 0.55 | - | 0.11 | 50 | 0.04 | CAD | 请求报价 |
| SNZ-M1.6-3-TBZ | M1.6 | 0.35 | 3 | 2.4 | 0.55 | - | 0.11 | 50 | 0.05 | CAD | 请求报价 |
| SNZ-M1.6-4-TBZ | M1.6 | 0.35 | 4 | 2.4 | 0.55 | - | 0.11 | 50 | 0.06 | CAD | 请求报价 |
| SNZ-M1.6-5-TBZ | M1.6 | 0.35 | 5 | 2.4 | 0.55 | - | 0.11 | 50 | 0.07 | CAD | 请求报价 |
| SNZ-M1.6-6-TBZ | M1.6 | 0.35 | 6 | 2.4 | 0.55 | - | 0.11 | 50 | 0.078 | CAD | 请求报价 |
| SNZ-M1.6-8-TBZ | M1.6 | 0.35 | 8 | 2.4 | 0.55 | - | 0.11 | 50 | 0.097 | CAD | 请求报价 |
| SNZ-M1.6-10-TBZ | M1.6 | 0.35 | 10 | 2.4 | 0.55 | - | 0.11 | 50 | 0.12 | CAD | 请求报价 |
| SNZ-M1.6-12-TBZ | M1.6 | 0.35 | 12 | 2.4 | 0.55 | - | 0.11 | 50 | 0.14 | CAD | 请求报价 |
| SNZ-M1.7-2-TBZ | M1.7 | 0.35 | 2 | 2.5 | 0.5 | - | 0.14 | 50 | 0.036 | CAD | 请求报价 |
| SNZ-M1.7-3-TBZ | M1.7 | 0.35 | 3 | 2.5 | 0.5 | - | 0.14 | 50 | 0.048 | CAD | 请求报价 |
| SNZ-M1.7-4-TBZ | M1.7 | 0.35 | 4 | 2.5 | 0.5 | - | 0.14 | 50 | 0.061 | CAD | 请求报价 |
| SNZ-M1.7-5-TBZ | M1.7 | 0.35 | 5 | 2.5 | 0.5 | - | 0.14 | 50 | 0.074 | CAD | 请求报价 |
| SNZ-M1.7-6-TBZ | M1.7 | 0.35 | 6 | 2.5 | 0.5 | - | 0.14 | 50 | 0.086 | CAD | 请求报价 |
| SNZ-M1.7-8-TBZ | M1.7 | 0.35 | 8 | 2.5 | 0.5 | - | 0.14 | 50 | 0.11 | CAD | 请求报价 |
| SNZ-M2-2-TBZ | M2 | 0.4 | 2 | 3 | 0.6 | - | 0.22 | 50 | 0.054 | CAD | 请求报价 |
| SNZ-M2-2.5-TBZ | M2 | 0.4 | 2.5 | 3 | 0.6 | - | 0.22 | 50 | 0.062 | CAD | 请求报价 |
| SNZ-M2-3-TBZ | M2 | 0.4 | 3 | 3 | 0.6 | - | 0.22 | 50 | 0.071 | CAD | 请求报价 |
| SNZ-M2-3.5-TBZ | M2 | 0.4 | 3.5 | 3 | 0.6 | - | 0.22 | 50 | 0.079 | CAD | 请求报价 |
| SNZ-M2-4-TBZ | M2 | 0.4 | 4 | 3 | 0.6 | - | 0.22 | 50 | 0.088 | CAD | 请求报价 |
| SNZ-M2-5-TBZ | M2 | 0.4 | 5 | 3 | 0.6 | - | 0.22 | 50 | 0.1 | CAD | 请求报价 |
| SNZ-M2-6-TBZ | M2 | 0.4 | 6 | 3 | 0.6 | - | 0.22 | 50 | 0.12 | CAD | 请求报价 |
| SNZ-M2-8-TBZ | M2 | 0.4 | 8 | 3 | 0.6 | - | 0.22 | 50 | 0.16 | CAD | 请求报价 |
| SNZ-M2.5-3-TBZ | M2.5 | 0.45 | 3 | 3.8 | 0.8 | - | 0.46 | 50 | 0.12 | CAD | 请求报价 |
| SNZ-M2.5-4-TBZ | M2.5 | 0.45 | 4 | 3.8 | 0.8 | - | 0.46 | 50 | 0.14 | CAD | 请求报价 |
| SNZ-M2.5-5-TBZ | M2.5 | 0.45 | 5 | 3.8 | 0.8 | - | 0.46 | 50 | 0.17 | CAD | 请求报价 |
| SNZ-M2.5-6-TBZ | M2.5 | 0.45 | 6 | 3.8 | 0.8 | - | 0.46 | 50 | 0.2 | CAD | 请求报价 |
| SNZ-M2.5-8-TBZ | M2.5 | 0.45 | 8 | 3.8 | 0.8 | - | 0.46 | 50 | 0.27 | CAD | 请求报价 |
| SNZ-M2.5-10-TBZ | M2.5 | 0.45 | 10 | 3.8 | 0.8 | - | 0.46 | 50 | 0.34 | CAD | 请求报价 |
| SNZ-M2.6-3-TBZ | M2.6 | 0.45 | 3 | 4 | 0.8 | - | 0.53 | 50 | 0.14 | CAD | 请求报价 |
| SNZ-M2.6-4-TBZ | M2.6 | 0.45 | 4 | 4 | 0.8 | - | 0.53 | 50 | 0.18 | CAD | 请求报价 |
| SNZ-M2.6-5-TBZ | M2.6 | 0.45 | 5 | 4 | 0.8 | - | 0.53 | 50 | 0.21 | CAD | 请求报价 |
| SNZ-M2.6-6-TBZ | M2.6 | 0.45 | 6 | 4 | 0.8 | - | 0.53 | 50 | 0.24 | CAD | 请求报价 |
| SNZ-M2.6-8-TBZ | M2.6 | 0.45 | 8 | 4 | 0.8 | - | 0.53 | 50 | 0.3 | CAD | 请求报价 |
| SNZ-M2.6-10-TBZ | M2.6 | 0.45 | 10 | 4 | 0.8 | - | 0.53 | 50 | 0.36 | CAD | 请求报价 |
●数量未满1包的订单,会另外收取手续费。详情请垂询散装零售服务。
相关服务
材质、表面处理
| SNZ-TBZ | |
|---|---|
| 主体 | SWCH16A 三价铬黑色酸盐处理 |
用途
仪器、装置的小型化小型精密仪器
特点
- M1.4 - M2.6。用于精密仪器的精密螺丝。
- 头部高度较低的盘头小螺钉型。适用于上部空间受限的场合。







