尺寸・CAD
单位 : mm
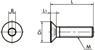
| 型号 | M(粗牙) 螺纹公称直径 |
螺距 | L | D1 | L1 | B | 拉伸断裂 载荷(N)*1 |
质量 (g) |
CAD下载 | 请求报价 |
|---|---|---|---|---|---|---|---|---|---|---|
| SNFCM-M2-5 | M2 | 0.4 | 5 | 4 | 1.2 | 1.3 | 1130 | 0.21 | CAD | 请求报价 |
| SNFCM-M2-6 | M2 | 0.4 | 6 | 4 | 1.2 | 1.3 | 1130 | 0.24 | CAD | 请求报价 |
| SNFCM-M2-8 | M2 | 0.4 | 8 | 4 | 1.2 | 1.3 | 1130 | 0.28 | CAD | 请求报价 |
| SNFCM-M2-10 | M2 | 0.4 | 10 | 4 | 1.2 | 1.3 | 1130 | 0.33 | CAD | 请求报价 |
| SNFCM-M3-6 | M3 | 0.5 | 6 | 6 | 1.75 | 2 | 2760 | 0.69 | CAD | 请求报价 |
| SNFCM-M3-8 | M3 | 0.5 | 8 | 6 | 1.75 | 2 | 2760 | 0.8 | CAD | 请求报价 |
| SNFCM-M3-10 | M3 | 0.5 | 10 | 6 | 1.75 | 2 | 2760 | 0.9 | CAD | 请求报价 |
| SNFCM-M3-12 | M3 | 0.5 | 12 | 6 | 1.75 | 2 | 2760 | 1 | CAD | 请求报价 |
| SNFCM-M4-8 | M4 | 0.7 | 8 | 8 | 2.3 | 2.5 | 4820 | 1.5 | CAD | 请求报价 |
| SNFCM-M4-10 | M4 | 0.7 | 10 | 8 | 2.3 | 2.5 | 4820 | 1.7 | CAD | 请求报价 |
| SNFCM-M4-12 | M4 | 0.7 | 12 | 8 | 2.3 | 2.5 | 4820 | 1.9 | CAD | 请求报价 |
| SNFCM-M4-16 | M4 | 0.7 | 16 | 8 | 2.3 | 2.5 | 4820 | 2.4 | CAD | 请求报价 |
*1: 表中数值仅供参考,并非保证值。
●如有订购多件相同尺寸的商品,我们将统一进行无尘包装。
材质、表面处理
| SNFCM | |
|---|---|
| 主体 | 纯钼 |
用途
阴极溅镀装置/高温炉使用注意事项
在氧化环境下,当温度达到600℃以上时将开始升华反应,敬请注意。机械性质
| 纯钼 | SUS304 | |
|---|---|---|
| 拉伸强度(N/mm2) | 515 | 520以上 |
| 0.2%承压力(N/mm2) | 380 | 205以上 |
| 伸长率(%) | 15 | 40以上 |
表中数值非保证值,仅供参考。
物性
| 纯钼 | SUS304 | |
|---|---|---|
| 比重 | 10.2 | 7.93 |
| 纵向弹性系数(GPa) | 327 | 193 |
| 电阻率(μΩ·m) | 0.058 | 0.7 |
| 热传导率(W/(m·K)) | 142 | 17 |
| 线性膨胀系数(K-1) | 5.1×10-6 | 17.3×10-6 |
表中数值非保证值,仅供参考。







