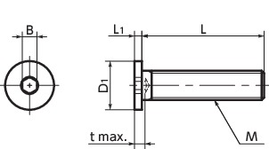
单位 : mm
| 型号 | M(粗牙) 螺纹公称直径 |
螺距 | L | D1 | L1 | B | t | 最大紧固扭矩 (N・m) |
毎包数量 | 质量 (g) |
CAD下载 | 请求报价 |
|---|---|---|---|---|---|---|---|---|---|---|---|---|
| SSH-M2-8 | M2 | 0.4 | 8 | 4 | 1.1 | 1.3 | 1.2 | 0.3 | 10 | 0.19 | CAD | 请求报价 |
*1: 表中数值仅供参考,并非保证值。
●数量未满1包的订单,会另外收取手续费。详情请垂询散装零售服务。
材质、表面处理
| SSH | |
|---|---|
| 主体 | SCM435 四氧化三铁保护膜(黑) |
| 强度等级 | 螺纹部:10.9 头部*1: 5.8(M2-M8) 4.8(M10) |
*1: 请勿超出最大紧固扭矩。虽然经过热处理提高了强度,但与螺纹部相比,头部的强度仍较小。



