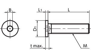
尺寸・CAD
单位 : mm
| 型号 | M(粗牙) 螺纹公称直径 |
螺距 | L | D1 | L1 | B | t | 最大紧固扭矩 (N・m) |
毎包数量 | 质量 (g) |
CAD下载 | 请求报价 |
|---|---|---|---|---|---|---|---|---|---|---|---|---|
| SSH-M2-4 | M2 | 0.4 | 4 | 4 | 1.1 | 1.3 | 1.2 | 0.3 | 10 | 0.11 | CAD | 请求报价 |
| SSH-M2-5 | M2 | 0.4 | 5 | 4 | 1.1 | 1.3 | 1.2 | 0.3 | 10 | 0.13 | CAD | 请求报价 |
| SSH-M2-6 | M2 | 0.4 | 6 | 4 | 1.1 | 1.3 | 1.2 | 0.3 | 10 | 0.15 | CAD | 请求报价 |
| SSH-M2-8 | M2 | 0.4 | 8 | 4 | 1.1 | 1.3 | 1.2 | 0.3 | 10 | 0.19 | CAD | 请求报价 |
| SSH-M2-10 | M2 | 0.4 | 10 | 4 | 1.1 | 1.3 | 1.2 | 0.3 | 10 | 0.23 | CAD | 请求报价 |
| SSH-M2-12 | M2 | 0.4 | 12 | 4 | 1.1 | 1.3 | 1.2 | 0.3 | 10 | 0.29 | CAD | 请求报价 |
| SSH-M2.5-4 | M2.5 | 0.45 | 4 | 5 | 1.3 | 1.3 | 1.5 | 0.4 | 10 | 0.23 | CAD | 请求报价 |
| SSH-M2.5-5 | M2.5 | 0.45 | 5 | 5 | 1.3 | 1.3 | 1.5 | 0.4 | 10 | 0.26 | CAD | 请求报价 |
| SSH-M2.5-6 | M2.5 | 0.45 | 6 | 5 | 1.3 | 1.3 | 1.5 | 0.4 | 10 | 0.29 | CAD | 请求报价 |
| SSH-M2.5-8 | M2.5 | 0.45 | 8 | 5 | 1.3 | 1.3 | 1.5 | 0.4 | 10 | 0.35 | CAD | 请求报价 |
| SSH-M2.5-10 | M2.5 | 0.45 | 10 | 5 | 1.3 | 1.3 | 1.5 | 0.4 | 10 | 0.41 | CAD | 请求报价 |
| SSH-M2.5-12 | M2.5 | 0.45 | 12 | 5 | 1.3 | 1.3 | 1.5 | 0.4 | 10 | 0.47 | CAD | 请求报价 |
| SSH-M3-4 | M3 | 0.5 | 4 | 6 | 1.3 | 1.5 | 2 | 0.7 | 10 | 0.36 | CAD | 请求报价 |
| SSH-M3-5 | M3 | 0.5 | 5 | 6 | 1.3 | 1.5 | 2 | 0.7 | 10 | 0.4 | CAD | 请求报价 |
| SSH-M3-6 | M3 | 0.5 | 6 | 6 | 1.3 | 1.5 | 2 | 0.7 | 10 | 0.44 | CAD | 请求报价 |
| SSH-M3-8 | M3 | 0.5 | 8 | 6 | 1.3 | 1.5 | 2 | 0.7 | 10 | 0.53 | CAD | 请求报价 |
| SSH-M3-10 | M3 | 0.5 | 10 | 6 | 1.3 | 1.5 | 2 | 0.7 | 10 | 0.61 | CAD | 请求报价 |
| SSH-M3-12 | M3 | 0.5 | 12 | 6 | 1.3 | 1.5 | 2 | 0.7 | 10 | 0.69 | CAD | 请求报价 |
| SSH-M4-6 | M4 | 0.7 | 6 | 8 | 1.5 | 2 | 2.5 | 1.7 | 10 | 0.89 | CAD | 请求报价 |
| SSH-M4-8 | M4 | 0.7 | 8 | 8 | 1.5 | 2 | 2.5 | 1.7 | 10 | 1 | CAD | 请求报价 |
| SSH-M4-10 | M4 | 0.7 | 10 | 8 | 1.5 | 2 | 2.5 | 1.7 | 10 | 1.2 | CAD | 请求报价 |
| SSH-M4-12 | M4 | 0.7 | 12 | 8 | 1.5 | 2 | 2.5 | 1.7 | 10 | 1.3 | CAD | 请求报价 |
| SSH-M4-16 | M4 | 0.7 | 16 | 8 | 1.5 | 2 | 2.5 | 1.7 | 10 | 1.6 | CAD | 请求报价 |
| SSH-M4-20 | M4 | 0.7 | 20 | 8 | 1.5 | 2 | 2.5 | 1.7 | 10 | 1.9 | CAD | 请求报价 |
| SSH-M5-6 | M5 | 0.8 | 6 | 9 | 1.5 | 3 | 3 | 6.2 | 10 | 0.73 | CAD | 请求报价 |
| SSH-M5-8 | M5 | 0.8 | 8 | 9 | 1.5 | 3 | 3 | 6.2 | 10 | 0.98 | CAD | 请求报价 |
| SSH-M5-10 | M5 | 0.8 | 10 | 9 | 1.5 | 3 | 3 | 6.2 | 10 | 1.2 | CAD | 请求报价 |
| SSH-M5-12 | M5 | 0.8 | 12 | 9 | 1.5 | 3 | 3 | 6.2 | 10 | 1.5 | CAD | 请求报价 |
| SSH-M5-16 | M5 | 0.8 | 16 | 9 | 1.5 | 3 | 3 | 6.2 | 10 | 2 | CAD | 请求报价 |
| SSH-M5-20 | M5 | 0.8 | 20 | 9 | 1.5 | 3 | 3 | 6.2 | 10 | 2.5 | CAD | 请求报价 |
| SSH-M5-25 | M5 | 0.8 | 25 | 9 | 1.5 | 3 | 3 | 6.2 | 10 | 3.1 | CAD | 请求报价 |
| SSH-M6-6 | M6 | 1 | 6 | 10 | 1.5 | 3 | 4 | 6.3 | 10 | 1.2 | CAD | 请求报价 |
| SSH-M6-8 | M6 | 1 | 8 | 10 | 1.5 | 3 | 4 | 6.3 | 10 | 1.6 | CAD | 请求报价 |
| SSH-M6-10 | M6 | 1 | 10 | 10 | 1.5 | 3 | 4 | 6.3 | 10 | 1.9 | CAD | 请求报价 |
| SSH-M6-12 | M6 | 1 | 12 | 10 | 1.5 | 3 | 4 | 6.3 | 10 | 2.3 | CAD | 请求报价 |
| SSH-M6-16 | M6 | 1 | 16 | 10 | 1.5 | 3 | 4 | 6.3 | 10 | 3 | CAD | 请求报价 |
| SSH-M6-20 | M6 | 1 | 20 | 10 | 1.5 | 3 | 4 | 6.3 | 10 | 3.8 | CAD | 请求报价 |
| SSH-M6-25 | M6 | 1 | 25 | 10 | 1.5 | 3 | 4 | 6.3 | 10 | 4.8 | CAD | 请求报价 |
| SSH-M6-30 | M6 | 1 | 30 | 10 | 1.5 | 3 | 4 | 6.3 | 10 | 5.5 | CAD | 请求报价 |
| SSH-M8-8 | M8 | 1.25 | 8 | 13 | 1.5 | 4 | 5 | 14 | 10 | 3 | CAD | 请求报价 |
| SSH-M8-10 | M8 | 1.25 | 10 | 13 | 1.5 | 4 | 5 | 14 | 10 | 3.6 | CAD | 请求报价 |
| SSH-M8-12 | M8 | 1.25 | 12 | 13 | 1.5 | 4 | 5 | 14 | 10 | 4.2 | CAD | 请求报价 |
| SSH-M8-16 | M8 | 1.25 | 16 | 13 | 1.5 | 4 | 5 | 14 | 10 | 5.4 | CAD | 请求报价 |
| SSH-M8-20 | M8 | 1.25 | 20 | 13 | 1.5 | 4 | 5 | 14 | 10 | 6.7 | CAD | 请求报价 |
| SSH-M8-25 | M8 | 1.25 | 25 | 13 | 1.5 | 4 | 5 | 14 | 10 | 8.3 | CAD | 请求报价 |
| SSH-M8-30 | M8 | 1.25 | 30 | 13 | 1.5 | 4 | 5 | 14 | 10 | 10 | CAD | 请求报价 |
| SSH-M10-10 | M10 | 1.5 | 10 | 16 | 1.5 | 5 | 6 | 27 | 10 | 4.6 | CAD | 请求报价 |
| SSH-M10-12 | M10 | 1.5 | 12 | 16 | 1.5 | 5 | 6 | 27 | 10 | 5.6 | CAD | 请求报价 |
| SSH-M10-16 | M10 | 1.5 | 16 | 16 | 1.5 | 5 | 6 | 27 | 10 | 7.6 | CAD | 请求报价 |
| SSH-M10-20 | M10 | 1.5 | 20 | 16 | 1.5 | 5 | 6 | 27 | 10 | 9.6 | CAD | 请求报价 |
| SSH-M10-25 | M10 | 1.5 | 25 | 16 | 1.5 | 5 | 6 | 27 | 10 | 12 | CAD | 请求报价 |
| SSH-M10-30 | M10 | 1.5 | 30 | 16 | 1.5 | 5 | 6 | 27 | 10 | 15 | CAD | 请求报价 |
*1: 表中数值仅供参考,并非保证值。
●数量未满1包的订单,会另外收取手续费。详情请垂询散装零售服务。
材质、表面处理
| SSH | |
|---|---|
| 主体 | SCM435 四氧化三铁保护膜(黑) |
| 强度等级 | 螺纹部:10.9 头部*1: 5.8(M2-M8) 4.8(M10) |
*1: 请勿超出最大紧固扭矩。虽然经过热处理提高了强度,但与螺纹部相比,头部的强度仍较小。










