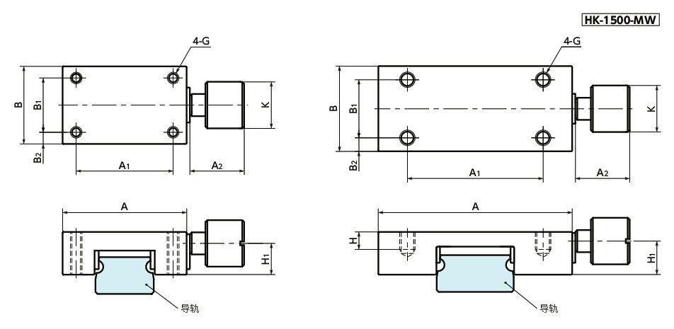
尺寸・CAD
单位 : mm
| 型号 | A | A1 | A2 | B | B1 | B2 | G | K | H | H1 | 螺丝紧固扭矩 (N・m) | 保持力(N)*1 | 质量 (kg) |
CAD下载 | 请求报价 |
|---|---|---|---|---|---|---|---|---|---|---|---|---|---|---|---|
| HK-0500-M | 12 | 8 | 5 | 14 | 10 | 2 | M2 | 4 | - | 3.4 | 0.07 | 40 | 0.01 | CAD | 请求报价 |
| HK-0500-MW | 17 | 13 | 5 | 14 | 10 | 2 | M2 | 4 | - | 3.4 | 0.07 | 40 | 0.01 | CAD | 请求报价 |
| HK-0700-M | 17 | 12 | 7 | 12 | 8 | 2 | M2 | 6 | - | 4.3 | 0.11 | 65 | 0.01 | CAD | 请求报价 |
| HK-0700-MW | 25 | 19 | 7 | 12 | 8 | 2 | M2 | 6 | - | 4.3 | 0.11 | 65 | 0.02 | CAD | 请求报价 |
| HK-0900-M | 20 | 15 | 9 | 17 | 11 | 3 | M3 | 8 | - | 5.35 | 0.17 | 100 | 0.02 | CAD | 请求报价 |
| HK-0900-MW | 30 | 23 | 9 | 17 | 11 | 3 | M3 | 8 | - | 5.85 | 0.17 | 100 | 0.04 | CAD | 请求报价 |
| HK-1200-M | 27 | 20 | 10 | 19 | 13 | 3 | M3 | 10 | - | 7.15 | 0.35 | 150 | 0.04 | CAD | 请求报价 |
| HK-1200-MW | 40 | 30 | 10 | 19 | 13 | 3 | M3 | 10 | - | 7.65 | 0.35 | 150 | 0.07 | CAD | 请求报价 |
| HK-1500-M | 32 | 25 | 14 | 20 | 14 | 3 | M3 | 12 | - | 8.05 | 0.75 | 180 | 0.05 | CAD | 请求报价 |
| HK-1500-MW | 60 | 45 | 14 | 22 | 15 | 3.5 | M4 | 12 | 4.5 | 8.55 | 0.75 | 180 | 0.09 | CAD | 请求报价 |
| HK-1510-MW | 48 | 35 | 14 | 22 | 14.5 | 3.75 | M4 | 12 | - | 8.55 | 0.75 | 180 | 0.09 | CAD | 请求报价 |
| HK-2000-M | 46 | 38 | 14 | 26 | 19 | 3.5 | M4 | 14 | - | 9.6 | 1.3 | 220 | 0.13 | CAD | 请求报价 |
| HK-2500-M | 48 | 35 | 16 | 35 | 24 | 5.5 | M6 | 16 | - | 14.9 | 2.5 | 300 | 0.2 | CAD | 请求报价 |
*1: 按照所示的紧固扭矩拧紧后的值。
构造

材质、表面处理
| miniHK | |
|---|---|
| 主体 | SUS304 |
| 旋钮 | SUS303或SUS304 |
| 弹簧 | SUS304-WPB |
| 接触面 | SUS304 |
特点
- 微型线性导轨用。
- 也可用一字螺丝刀紧固。
- 用于固定滑台、定位及防止振动。
- 全不锈钢制。
- 设计紧凑。
- 可简单地组装到现有系统上。无需进行诸如延长导轨长度或变更滑台尺寸等设计变更。

规格
| 控制方式 | 手动 |
| 使用温度 | 0℃~50℃ |
| 适用导轨的公称尺寸 | #5~#25、#5W~#15W |
使用注意事项
如果过度旋松旋钮,可能会导致接触面脱落。请勿过度旋松旋钮。安装
| 螺纹公称直径*1 | 紧固扭矩 (N・m) |
|---|---|
| M2 | 0.3 |
| M3 | 1.2 |
| M4 | 2.8 |
| M6 | 6 |
*1: 请使用强度等级8.8或A2-70以上的螺纹。
请事先确认安全注意事项( ⇒请事先确认安全注意事项 )、设计中的注意事项( ⇒设计中的注意事项 )、安装步骤( ⇒安装步骤 )。
安装图









