尺寸・CAD
选择
单位 : mm
| 型号 | d | M(粗牙) 螺纹公称直径 |
螺距 | L*1 | R | H | h | h1 | s | A | B | Dw | sw1 | sw3 | d1 | d2 | 齿数 | 旋转方向 | 质量 (g) |
CAD下载 | 请求报价 |
|---|---|---|---|---|---|---|---|---|---|---|---|---|---|---|---|---|---|---|---|---|---|
| LZYS-40-KVB-B-R-12 | 40 | M6 | 1 | 12 | 100 | 55 | 30.5 | 8.5 | 10 | 10 | 25 | 12 | 5 | 5 | 24 | 20 | 26 | 右转 | 153 | CAD | 请求报价 |
| LZYS-40-KVB-B-R-22 | 40 | M6 | 1 | 22 | 100 | 55 | 30.5 | 8.5 | 10 | 10 | 25 | 12 | 5 | 5 | 24 | 20 | 26 | 右转 | 156 | CAD | 请求报价 |
| LZYS-40-KVB-B-R-27 | 40 | M6 | 1 | 27 | 100 | 55 | 30.5 | 8.5 | 10 | 10 | 25 | 12 | 5 | 5 | 24 | 20 | 26 | 右转 | 157 | CAD | 请求报价 |
| LZYS-40-KVB-B-R-32 | 40 | M6 | 1 | 32 | 100 | 55 | 30.5 | 8.5 | 10 | 10 | 25 | 12 | 5 | 5 | 24 | 20 | 26 | 右转 | 158 | CAD | 请求报价 |
| LZYS-40-KVB-B-R-37 | 40 | M6 | 1 | 37 | 100 | 55 | 30.5 | 8.5 | 10 | 10 | 25 | 12 | 5 | 5 | 24 | 20 | 26 | 右转 | 159 | CAD | 请求报价 |
| LZYS-40-KVB-B-R-42 | 40 | M6 | 1 | 42 | 100 | 55 | 30.5 | 8.5 | 10 | 10 | 25 | 12 | 5 | 5 | 24 | 20 | 26 | 右转 | 160 | CAD | 请求报价 |
| LZYS-40-KVB-B-R-47 | 40 | M6 | 1 | 47 | 100 | 55 | 30.5 | 8.5 | 10 | 10 | 25 | 12 | 5 | 5 | 24 | 20 | 26 | 右转 | 161 | CAD | 请求报价 |
| LZYS-40-KVB-B-R-57 | 40 | M6 | 1 | 57 | 100 | 55 | 30.5 | 8.5 | 10 | 10 | 25 | 12 | 5 | 5 | 24 | 20 | 26 | 右转 | 162 | CAD | 请求报价 |
| LZYS-40-KVB-B-R-62 | 40 | M6 | 1 | 62 | 100 | 55 | 30.5 | 8.5 | 10 | 10 | 25 | 12 | 5 | 5 | 24 | 20 | 26 | 右转 | 163 | CAD | 请求报价 |
| LZYS-40-KVB-B-R-67 | 40 | M6 | 1 | 67 | 100 | 55 | 30.5 | 8.5 | 10 | 10 | 25 | 12 | 5 | 5 | 24 | 20 | 26 | 右转 | 164 | CAD | 请求报价 |
| LZYS-40-KVB-B-R-77 | 40 | M6 | 1 | 77 | 100 | 55 | 30.5 | 8.5 | 10 | 10 | 25 | 12 | 5 | 5 | 24 | 20 | 26 | 右转 | 165 | CAD | 请求报价 |
| LZYS-40-KVB-B-R-82 | 40 | M6 | 1 | 82 | 100 | 55 | 30.5 | 8.5 | 10 | 10 | 25 | 12 | 5 | 5 | 24 | 20 | 26 | 右转 | 167 | CAD | 请求报价 |
| LZYS-40-KVB-B-L-12 | 40 | M6 | 1 | 12 | 100 | 55 | 30.5 | 8.5 | 10 | 10 | 25 | 12 | 5 | 5 | 24 | 20 | 26 | 左转 | 153 | CAD | 请求报价 |
| LZYS-40-KVB-B-L-22 | 40 | M6 | 1 | 22 | 100 | 55 | 30.5 | 8.5 | 10 | 10 | 25 | 12 | 5 | 5 | 24 | 20 | 26 | 左转 | 156 | CAD | 请求报价 |
| LZYS-40-KVB-B-L-27 | 40 | M6 | 1 | 27 | 100 | 55 | 30.5 | 8.5 | 10 | 10 | 25 | 12 | 5 | 5 | 24 | 20 | 26 | 左转 | 157 | CAD | 请求报价 |
| LZYS-40-KVB-B-L-32 | 40 | M6 | 1 | 32 | 100 | 55 | 30.5 | 8.5 | 10 | 10 | 25 | 12 | 5 | 5 | 24 | 20 | 26 | 左转 | 158 | CAD | 请求报价 |
| LZYS-40-KVB-B-L-37 | 40 | M6 | 1 | 37 | 100 | 55 | 30.5 | 8.5 | 10 | 10 | 25 | 12 | 5 | 5 | 24 | 20 | 26 | 左转 | 159 | CAD | 请求报价 |
| LZYS-40-KVB-B-L-42 | 40 | M6 | 1 | 42 | 100 | 55 | 30.5 | 8.5 | 10 | 10 | 25 | 12 | 5 | 5 | 24 | 20 | 26 | 左转 | 160 | CAD | 请求报价 |
| LZYS-40-KVB-B-L-47 | 40 | M6 | 1 | 47 | 100 | 55 | 30.5 | 8.5 | 10 | 10 | 25 | 12 | 5 | 5 | 24 | 20 | 26 | 左转 | 161 | CAD | 请求报价 |
| LZYS-40-KVB-B-L-57 | 40 | M6 | 1 | 57 | 100 | 55 | 30.5 | 8.5 | 10 | 10 | 25 | 12 | 5 | 5 | 24 | 20 | 26 | 左转 | 162 | CAD | 请求报价 |
| LZYS-40-KVB-B-L-62 | 40 | M6 | 1 | 62 | 100 | 55 | 30.5 | 8.5 | 10 | 10 | 25 | 12 | 5 | 5 | 24 | 20 | 26 | 左转 | 163 | CAD | 请求报价 |
| LZYS-40-KVB-B-L-67 | 40 | M6 | 1 | 67 | 100 | 55 | 30.5 | 8.5 | 10 | 10 | 25 | 12 | 5 | 5 | 24 | 20 | 26 | 左转 | 164 | CAD | 请求报价 |
| LZYS-40-KVB-B-L-77 | 40 | M6 | 1 | 77 | 100 | 55 | 30.5 | 8.5 | 10 | 10 | 25 | 12 | 5 | 5 | 24 | 20 | 26 | 左转 | 165 | CAD | 请求报价 |
| LZYS-40-KVB-B-L-82 | 40 | M6 | 1 | 82 | 100 | 55 | 30.5 | 8.5 | 10 | 10 | 25 | 12 | 5 | 5 | 24 | 20 | 26 | 左转 | 167 | CAD | 请求报价 |
| LZYS-50-KVB-B-R-10 | 50 | M8 | 1.25 | 10 | 116 | 62 | 34.5 | 10.5 | 12 | 13 | 30 | 16 | 6 | 6 | 28 | 24 | 28 | 右转 | 253 | CAD | 请求报价 |
| LZYS-50-KVB-B-R-20 | 50 | M8 | 1.25 | 20 | 116 | 62 | 34.5 | 10.5 | 12 | 13 | 30 | 16 | 6 | 6 | 28 | 24 | 28 | 右转 | 256 | CAD | 请求报价 |
| LZYS-50-KVB-B-R-30 | 50 | M8 | 1.25 | 30 | 116 | 62 | 34.5 | 10.5 | 12 | 13 | 30 | 16 | 6 | 6 | 28 | 24 | 28 | 右转 | 259 | CAD | 请求报价 |
| LZYS-50-KVB-B-R-40 | 50 | M8 | 1.25 | 40 | 116 | 62 | 34.5 | 10.5 | 12 | 13 | 30 | 16 | 6 | 6 | 28 | 24 | 28 | 右转 | 263 | CAD | 请求报价 |
| LZYS-50-KVB-B-R-50 | 50 | M8 | 1.25 | 50 | 116 | 62 | 34.5 | 10.5 | 12 | 13 | 30 | 16 | 6 | 6 | 28 | 24 | 28 | 右转 | 267 | CAD | 请求报价 |
| LZYS-50-KVB-B-R-60 | 50 | M8 | 1.25 | 60 | 116 | 62 | 34.5 | 10.5 | 12 | 13 | 30 | 16 | 6 | 6 | 28 | 24 | 28 | 右转 | 270 | CAD | 请求报价 |
| LZYS-50-KVB-B-R-70 | 50 | M8 | 1.25 | 70 | 116 | 62 | 34.5 | 10.5 | 12 | 13 | 30 | 16 | 6 | 6 | 28 | 24 | 28 | 右转 | 275 | CAD | 请求报价 |
| LZYS-50-KVB-B-R-80 | 50 | M8 | 1.25 | 80 | 116 | 62 | 34.5 | 10.5 | 12 | 13 | 30 | 16 | 6 | 6 | 28 | 24 | 28 | 右转 | 278 | CAD | 请求报价 |
| LZYS-50-KVB-B-R-90 | 50 | M8 | 1.25 | 90 | 116 | 62 | 34.5 | 10.5 | 12 | 13 | 30 | 16 | 6 | 6 | 28 | 24 | 28 | 右转 | 282 | CAD | 请求报价 |
| LZYS-50-KVB-B-R-100 | 50 | M8 | 1.25 | 100 | 116 | 62 | 34.5 | 10.5 | 12 | 13 | 30 | 16 | 6 | 6 | 28 | 24 | 28 | 右转 | 286 | CAD | 请求报价 |
| LZYS-50-KVB-B-L-10 | 50 | M8 | 1.25 | 10 | 116 | 62 | 34.5 | 10.5 | 12 | 13 | 30 | 16 | 6 | 6 | 28 | 24 | 28 | 左转 | 253 | CAD | 请求报价 |
| LZYS-50-KVB-B-L-20 | 50 | M8 | 1.25 | 20 | 116 | 62 | 34.5 | 10.5 | 12 | 13 | 30 | 16 | 6 | 6 | 28 | 24 | 28 | 左转 | 256 | CAD | 请求报价 |
| LZYS-50-KVB-B-L-30 | 50 | M8 | 1.25 | 30 | 116 | 62 | 34.5 | 10.5 | 12 | 13 | 30 | 16 | 6 | 6 | 28 | 24 | 28 | 左转 | 259 | CAD | 请求报价 |
| LZYS-50-KVB-B-L-40 | 50 | M8 | 1.25 | 40 | 116 | 62 | 34.5 | 10.5 | 12 | 13 | 30 | 16 | 6 | 6 | 28 | 24 | 28 | 左转 | 263 | CAD | 请求报价 |
| LZYS-50-KVB-B-L-50 | 50 | M8 | 1.25 | 50 | 116 | 62 | 34.5 | 10.5 | 12 | 13 | 30 | 16 | 6 | 6 | 28 | 24 | 28 | 左转 | 267 | CAD | 请求报价 |
| LZYS-50-KVB-B-L-60 | 50 | M8 | 1.25 | 60 | 116 | 62 | 34.5 | 10.5 | 12 | 13 | 30 | 16 | 6 | 6 | 28 | 24 | 28 | 左转 | 270 | CAD | 请求报价 |
| LZYS-50-KVB-B-L-70 | 50 | M8 | 1.25 | 70 | 116 | 62 | 34.5 | 10.5 | 12 | 13 | 30 | 16 | 6 | 6 | 28 | 24 | 28 | 左转 | 275 | CAD | 请求报价 |
| LZYS-50-KVB-B-L-80 | 50 | M8 | 1.25 | 80 | 116 | 62 | 34.5 | 10.5 | 12 | 13 | 30 | 16 | 6 | 6 | 28 | 24 | 28 | 左转 | 278 | CAD | 请求报价 |
| LZYS-50-KVB-B-L-90 | 50 | M8 | 1.25 | 90 | 116 | 62 | 34.5 | 10.5 | 12 | 13 | 30 | 16 | 6 | 6 | 28 | 24 | 28 | 左转 | 282 | CAD | 请求报价 |
| LZYS-50-KVB-B-L-100 | 50 | M8 | 1.25 | 100 | 116 | 62 | 34.5 | 10.5 | 12 | 13 | 30 | 16 | 6 | 6 | 28 | 24 | 28 | 左转 | 286 | CAD | 请求报价 |
*1: 可用内六角圆柱头螺栓紧固的最大板厚。
材质、表面处理
| LZYS-KVB-B | |
|---|---|
| 螺旋式闩锁 | 相当于SUS303 无电解镀镍 |
| 间隔体 | 相当于SUS630 |
| 固定衬套 | 相当于SUS630 |
| 内六角圆柱头螺栓 (DIN 912) |
不锈钢 |
| 内六角圆柱头螺栓强度等级 | A2-70 |
| 垫圈 | 相当于SUS630 |
| 手柄 | 相当于SUS303 喷丸 |
| 握柄 | 酚醛树脂(黑) |
特点
- 利用螺旋式闩锁的连接用手柄。下方紧固状态可无级调整。
- 可在任何位置强有力地夹紧工件。可实现快速、可靠的操作。
- 带角度手柄型。便于手的伸入,并确保有足够的握持手柄的空间。
- 夹住配合构件,从背面用内六角圆柱头螺栓安装。已在固定用衬套的内部加工了螺纹孔。即使在配合构件上没有安装用螺丝孔的情况下也可以使用。
- 内六角圆柱头螺栓有丰富的螺纹长度。可以选择适合要安装的配合构件的长度。
- 柄以外为不锈钢制。
-
可根据产品符号选择旋转方向。
LZYS-KVB-B-R----右转
LZYS-KVB-B-L----左转
1分钟即可掌握!闩锁手柄和凸轮手柄的使用方法
使用注意事项
拧入固定衬套的螺纹深度最大为5mm。可以使用的配合构件厚度为L尺寸-5~0。如果配合构件超过L尺寸,则无法固定闩锁手柄。
构造
- 闩锁手柄由螺旋式闩锁、间隔体、固定衬套、内六角圆柱头螺栓、垫圈、手柄构成。
- 用内六角圆柱头螺栓从背面夹紧配合构件进行安装。
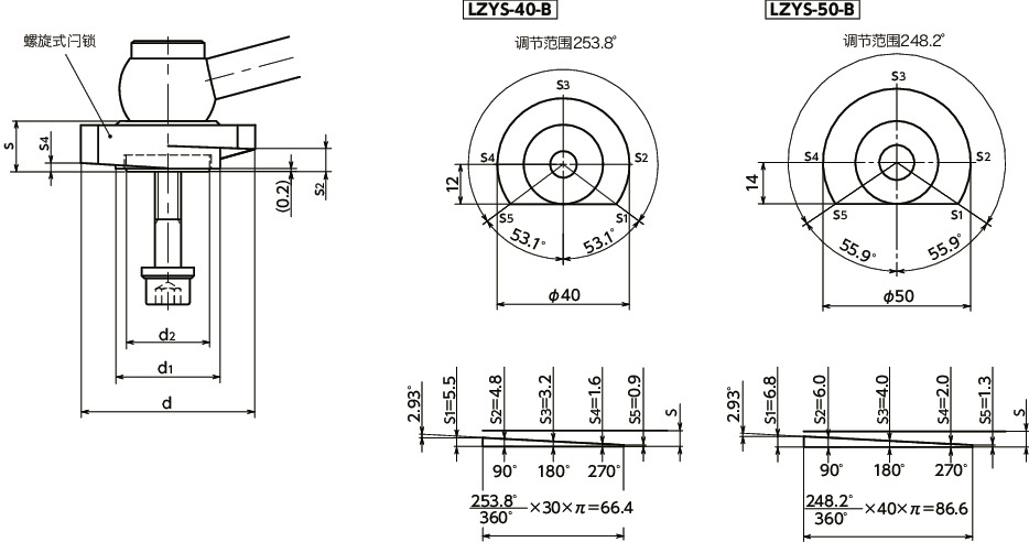
- 螺旋式闩锁的坡度较小(2.93°),因此紧固后可抑制松动。
- 紧固内六角圆柱头螺栓后,间隔体仍可确保螺旋式闩锁和安装面之间留有间隙,使螺旋式闩锁顺畅旋转。
- 螺旋式闩锁和手柄通过锯齿啮合,相对于偏心凸轮的手柄位置可在组装时进行设定。
- 调节范围
单位 : mm
| 型号 | 角度 | 紧固方向 | 闩锁坡度 |
|---|---|---|---|
| LZYS-40 | 253.8° | 4.6 | 2.93° |
| LZYS-50 | 248.2° | 5.5 | 2.93° |

上图为右转LZYS-KVB-B-R的图解。左转LZYS-KVB-B-L的形状左右对称。










