• 分度柱塞

定位销用衬套 - 法兰型

Bushing for use with Locating Pin - Flange type

PJB

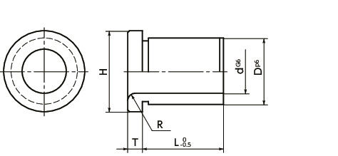
形状図

PJB定位销用衬套 - 法兰型

尺寸・CAD

单位 : mm

型号 L d D H R T 适用的定位销 质量
(g)
CAD下载 请求报价
PJB-5-8 8 5 10 14 1 3 PJP-5-** 7 CAD 请求报价
PJB-5-10 10 5 10 14 1 3 PJP-5-** 8 CAD 请求报价
PJB-5-12 12 5 10 14 1 3 PJP-5-** 9 CAD 请求报价
PJB-5-16 16 5 10 14 1 3 PJP-5-** 11 CAD 请求报价
PJB-6-8 8 6 10 14 1 3 PJP-6-** 6.2 CAD 请求报价
PJB-6-10 10 6 10 14 1 3 PJP-6-** 7 CAD 请求报价
PJB-6-12 12 6 10 14 1 3 PJP-6-** 7.9 CAD 请求报价
PJB-6-16 16 6 10 14 1 3 PJP-6-** 9.5 CAD 请求报价
PJB-8-10 10 8 12 16 2 4 PJP-8-** 9.9 CAD 请求报价
PJB-8-12 12 8 12 16 2 4 PJP-8-** 10.9 CAD 请求报价
PJB-8-16 16 8 12 16 2 4 PJP-8-** 13 CAD 请求报价
PJB-8-20 20 8 12 16 2 4 PJP-8-** 15 CAD 请求报价
PJB-10-10 10 10 15 19 2 4 PJP-10-** 14 CAD 请求报价
PJB-10-12 12 10 15 19 2 4 PJP-10-** 16 CAD 请求报价
PJB-10-16 16 10 15 19 2 4 PJP-10-** 19 CAD 请求报价
PJB-10-20 20 10 15 19 2 4 PJP-10-** 22 CAD 请求报价
PJB-12-16 16 12 18 22 2 4 PJP-12-** 27 CAD 请求报价
PJB-12-20 20 12 18 22 2 4 PJP-12-** 37 CAD 请求报价

材质、表面处理

PJB
主体 钢(硬度60HRC以上)

特点

  • 请与台阶型定位销PJPPJP)或分度柱塞PPLXPPLXPPLYPPLY)组合使用。

使用例

与分度柱塞PPLXPPLXPPLY

PPLY)组合。

PJB定位销用衬套 - 法兰型


型号列表

点击查看其它分度柱塞