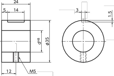
尺寸・CAD
单位 : mm
| 型号 | d | 质量 (g) |
CAD下载 | 请求报价 |
|---|---|---|---|---|
| RNCL-R18 | 18 | 136 | CAD | 请求报价 |
| RNCL-R20 | 20 | 125 | CAD | 请求报价 |
| RNCL-R22 | 22 | 112 | CAD | 请求报价 |
| RNCL-R24 | 24 | 98 | CAD | 请求报价 |
| RNCL-R25 | 25 | 90 | CAD | 请求报价 |
| RNCL-R26 | 26 | 83 | CAD | 请求报价 |
无键,附带内六角止动螺丝。
键请使用数显轴环主体所附带轴环的键。
材质、表面处理
| RNCL-R | |
|---|---|
| 主体 | S45C 四氧化三铁保护膜(黑) |
特点
- 数显轴环用轴孔轴环。
- 可根据旋转轴变更数显轴环的轴孔径。
- 所有产品均附带内六角止动螺丝。
- 不附带键。请使用数显轴环主体所附带轴环的键。






